ctrl + d : 새로고침
ctrl 누르고 드래그 하면 복사됨.
매트랩 도움말 사이트를 적극 활용하자! 모르는 건 검색ㄱ
https://kr.mathworks.com/help/
변수 (파일명.m) 파일 만들어서 거기서 변수값 설정해주고 사용하는 게 좋다.
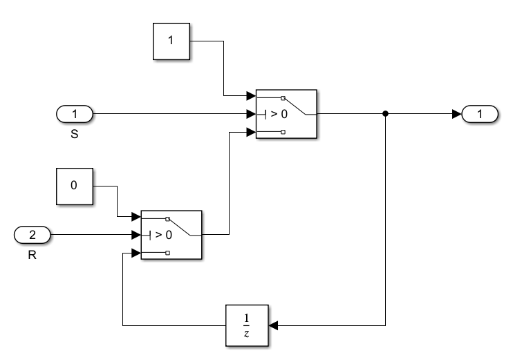
switch, multiport switch
unit delay : 그 전 timestamp를 잠깐 저장하고 있는 블록. 현재 타임스탬프가 1이라면 얘는 0시점에서의 값을 저장하고 있음.
COUNTER 예제

- 근데 그냥 이렇게 하면 0.2초에 증가함. 예제에서는 1초마다 1씩 증가하도록 하라고 했기 때문에 solver를 써야 함.
- solver에서 항상 type은 Fixed-step, Solver는 discrete 으로 설정. (거의 이렇게 고정)

(문제에서 1초마다 라고 했으니 fixed-step size는 1로 설정)



- Switch 중첩해서 사용 가능하다!!
