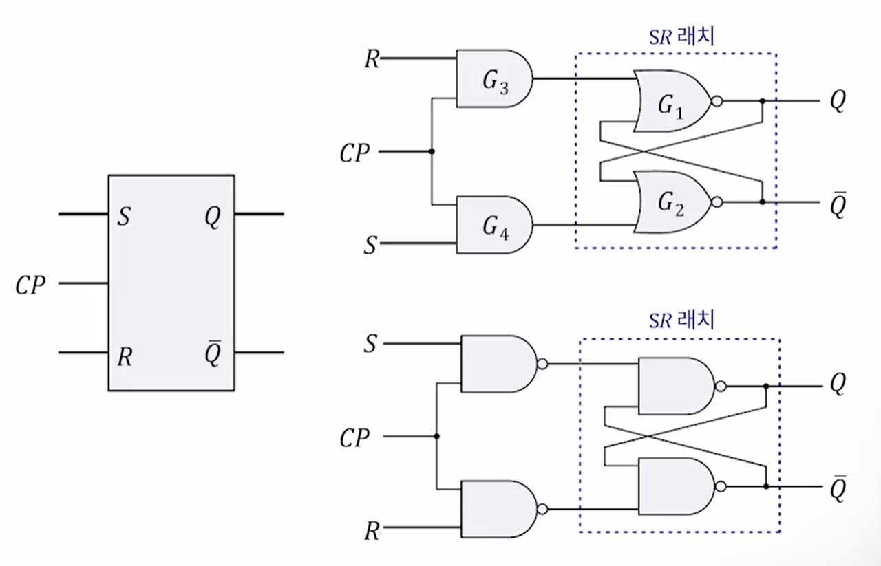
래치에 클록이라는 펄스를 넣어서 만든 것을 플립플롭이라 한다.

클록을 0을 주면 유지. 동작하지 않고 값을 가지고 현재를 유지한다는 뜻
(NAND)에서는 1이 나가기 때문에 유지이다.
1을 주면 래치로 동작한다.
SR플립플롭의 진리표

특성표
진리표를 근거로 한다.
현재값이 관계한다.

무관하다 = 무관항 = S =R =1
SR플립플롭의 상태표 매우중요


cp 0 유지 동작안함
클럭은 일정하고 동일한 주기를 갖는다. 내가 원하느 동작이 원활하게 동작하지 않을수 있다. 따라서 클럭주기가 짧은것이 좋다.
하이에서 동작할수 있는걸 레벨트리거라고 한다. 레벨이 너무 넓으면 SR래치가 원하는 대로 동작하지 않기 때문에 나온것이 에지트리거이다.
에지트리거 Edge Trigger
클럭이 1인 상태에서 모든 동작이 수행된다. -> 클럭형 클럭길면 안좋음
클럭이 0에서 1로 1에서 0으로 변하는 순간만
정에지 Positive Edge : Leading Edge 상승에지
부에지 Negative Edge : Trailing Edge 하강에지
펄스전이 검출기 전파지연을 이용한다.

Rising Edge를 검출하여 플립플롭을 동작할 수 있도록한다.
딜레이가 존재한다. not게이트를 통과할때마다 지연(nsec)이 발생한다.
딜레이 기간 동안만 high로 값이 바뀐다.

클럭에 버블이 있으면 하강에지이다.

1-p) s와 r의 값만 보면된다. 유지 1-n) 동작안함 유지 2-p) reset 3-p) set 4AA


진리표와 상태표

웨이브폼 레벨트리거와 에지트리거를 한번에 작성했을 때


진리표

부정의 값을 이전 상태 반전으로 사용한다.
상태도
