공식문서에 따르면
Amazon Virtual Private Cloud(Amazon VPC)를 사용하면 정의한 논리적으로 격리된 가상 네트워크에서 AWS 리소스를 시작할 수 있습니다.

라고 하는데요... 뭔말인지 잘 와닿지 않습니다.
쉽게 알아보입시더!

VPC가 없다면 EC2 인스턴스들이 거미줄 처럼 연결되고 인터넷과 연결됩니다. (정리가 하나도 안되어 보이죵?)
이런식의 구조는 시스템의 복잡도를 엄청 끌어올립니다.
더불어!! 하나의 인스턴스를 추가하려고 하면 모든 인스턴스를 추가해야하는 번거로움이 생깁니다.
그래서 이걸 해결해 줄 놈이!!! 바로 VPC 다!

VPC를 적용하면 VPC 별로 네트워크를 구성할 수 있습니다.
각각의 VPC에따라 다르게 네트워크 설정을 줄 수 있습니다.
각각은 완전히 독립된 네트워크처럼 작동하게 됩니다.

VPC의 아이피 범위를 RFC1918 사설 아이피 대역에 맞게 구축해야 합니다.
| VPC에서 사용하는 사설 아이피 대역 |
|---|
| 10.0.0.0 ~ 10.255.255.255(10/8 prefix) |
| 172.16.0.0 ~ 172.31.255.255(182.16/12 prefix) |
| 192.168.0.0 ~ 192.168.255.255(192.168/16 prefix) |
한 번 설정된 아이피 대역은 수정할 수 없습니다.
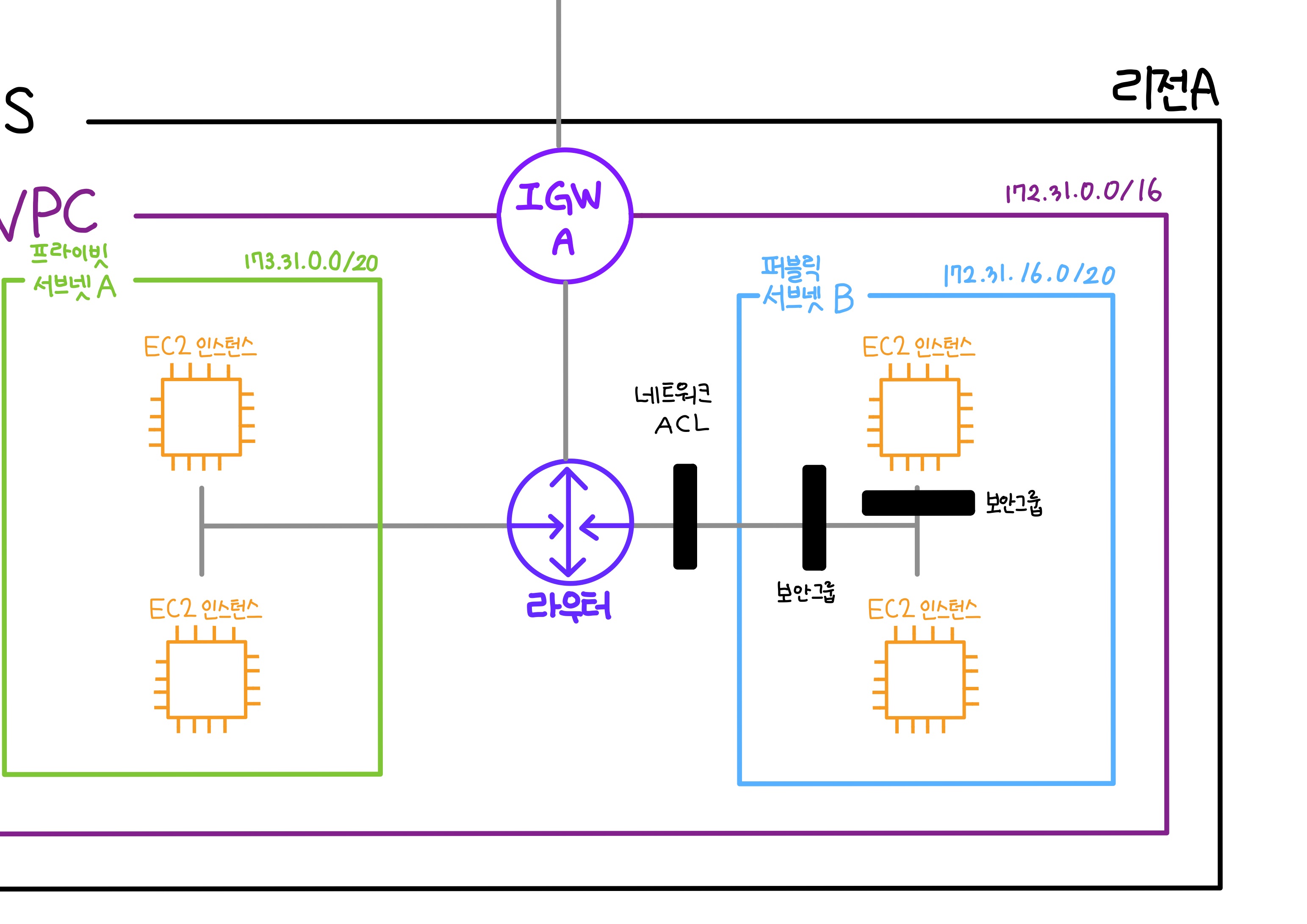
각 VPC는 하나의 리전에 종속됩니다.
각각의 VPC는 완전히 독립적이기 때문에 VPC 간 통신을 원한다면 VPC 피어링 서비스를 고려하면 됩니다.

서브넷은 VPC를 잘게 쪼개는 과정입니다.
서브넷을 나누는 이유는 더 많은 네트워크 망을 만들기 위해서 입니다.
각각의 서브넷은 가용영역 안에 존재하면 서브넷안에 RDS, EC2와 같은 리소스들을 위치시킬 수 있습니다.

네트워크 요청이 발생하면 데이터는 우선 라우터로 향합니다.
라우팅 테이블은 각 목적지에 대한 이정표 입니다.

IGW는 VPC와 인터넷을 연결해주는 하나의 관문입니다.
인터넷과 연결되어있는 서브넷을 퍼블릭 서브넷,
인터넷과 연결되어있지않은 서브넷을 프라이빗 서브넷 이라고 합니다.

서브넷에 적용하는 방화벽 규칙입니다.
보안그룹별로도 별도의 트래픽을 설정할 수 있습니다. 서브넷 뿐만 아니라 각각의 EC2 인스턴스에도 적용할 수 있습니다.

NAT 게이트웨이는 프라이빗서브넷이 인터넷과 통신하기 위한 아웃바운드 인스턴스입니다.
프라이빗 서브넷 내 EC2 서버들도 외부접근이 가능해야할때가 있는데 그때 사용합니다.
퍼블릭 서브넷상에서 동작하는 NAT 게이트웨이는 프라이빗서브넷에서 외부로 요청하는 아웃바운드 트래픽을 받아 인터넷게이트웨이와 연결합니다.
그라믄 다음편은 실전으로 넘어가겠움미다!