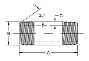
ASTM A733 BLACK PIPE NIPPLE
Material: ASTM A53, Sch40 standard specification for pipe steel; Welded and Seamless Black,
Threads: ANSI/ASME B 1.20.1
NOTE:
MINIMUM WALL THICKNESS AT ANY POINT TO BE NOT MORE THAN 12.5% UNDER NOMINAL WALL THICKNESS SPECIFIED FOR THAT SIZE PIPE.
READY CUT PIPE Threaded Both Ends
Ready Cut Pipe
Material: ASTM A53 / ASTM A106 Standard Specification for pipe steel; Welded and Seamless Black,
Threads: ANSI/ASME B 1.20.1
Ready Cut Pipe
Material: ASTM A53 / ASTM A106 Standard Specification for pipe steel; Welded and Seamless Black and Hot-Dipped,
Threads: ANSI/ASME B 1.20.1
If you want to know more types of a733 nipple , a733 pipe , please visit our website.
Hebei SANVO Pipes & Fittings Co., Ltd is a professional manufacturer of Steel & Stainless steel fittings in the north of China, established in 2009. We specialize in pipe cutting, threading, bending, end finishing, groove, and Stainless steel Casting from 30 grams to 80 kilograms, also other hardware products.
As one of pipe fittings manufacturers, we will do our best to meet all the needs of customers.
