EN 13889 Shackle

zhongheindustry·2024년 12월 13일


EN 13889 Shackle
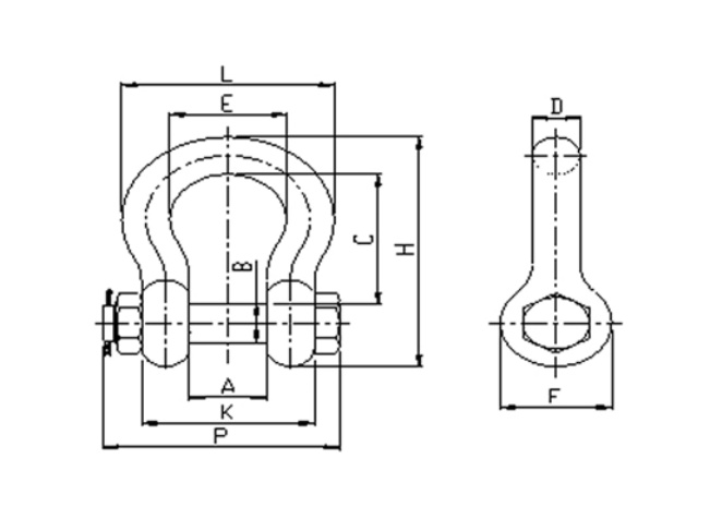
EN 13889 specifies the design, materials, testing, and marking requirements for shackles used in lifting applications. It requires that the shackles be manufactured from high-quality materials and meet certain strength and durability criteria. The standard also specifies testing procedures to ensure that the shackles can withstand the loads and forces they are designed to carry.

When selecting an EN 13889 shackle, it is important to choose the right size and working load limit for the specific task at hand to ensure safe and effective use. It is also important to ensure that the shackle is marked with the appropriate information, including the working load limit, the manufacturer's name or trademark, and the BS EN 13889 standard designation.

If you are looking for a reliable rigging company, please choose us, and we will be your best partner.

profile
Qingdao Zhonghe Heavy Industry Co., Ltd. was founded in 2012. https://www.zhongheindustry.com/

0개의 댓글