Clock 신호 → 주기적인 Square wave
Flip Flop → Clock 신호가 변화하는 시점인 edge(엣지)에 맞추어 동작
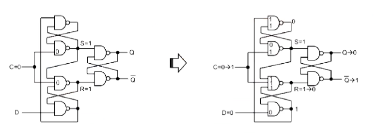
Classical D F/F → C이 0이거나 1일 때⇒유지, C이 0에서 1일 때→ D=0⇒reset, D=1⇒set

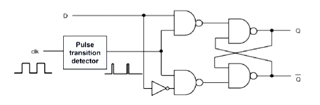
Edge-triggered D F/F → Pulse transition detector + D Latch

SR F/F
Set→S가 0일 때 1로
Reset→R이 0일 때 0으로
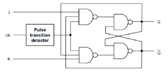
JK F/F
00 유지, 01 0, 10 1, 11 반전


T F/F
1일 때 반전

비동기→클럭 신호와 상관없이 값이 변할 경우
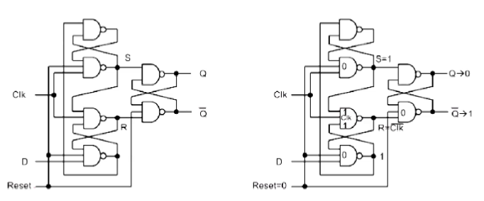
비동기 리셋 D F/F → reset=0이면 무조건 0

비동기 셋 리셋 JK F/F → preset 0→set, clear 0→reset

전달 지연 시간
셋업과 홀드 타임
State table(상태표) & Excitation table(여기표)


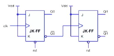
비동기 2비트 카운터→00 01 10 11 00 반복


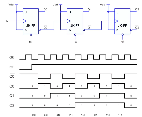
비동기 3비트 카운터→000 001 010 011 100 101 110 111

동기 2비트 카운터

동기 3비트 카운터


순차회로
FSM → 한정된 상태를 갖는 머신→Counter, Clock divider, FSM
Register → 플립플롭이 여러개 모인 것→Shift register, Parallel register

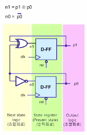
2비트 동기 카운터의 설계 (D F/F)

2비트 동기 카운터의 설계 (JK F/F)

2비트 동기 카운터의 설계 (T F/F)

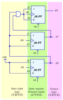
3비트 동기 카운터의 설계 (D F/F)

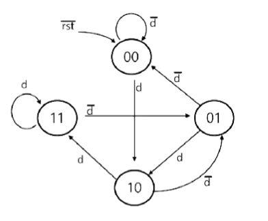
2비트 up/down 카운터의 설계

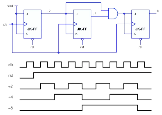
Clock divider, Clock multiplier

Shift register

Excess-3 code → BCD에 0011을 더하여 생성

누름 전원 스위치
startoff →off → starton → on
