▶️ 원본 영상: https://youtu.be/DnVW4vaqF4Q
🔖 Before Kafka
- 엔드투엔드(end-to_end) 연결 방식의 아키텍처
- 데이터 연동의 복잡성 증가(하드웨어, 운영체제, 장애 등)
- 각기 다른 데이터 파이프라인 연결 구조
- 확장에 엄청난 노력 필요
❗모든 시스템으로 데이터를 실시간 전송 처리도 가능하면서 데이터가 갑자기 많아지더라도 확장이 용이한 시스템이 필요함
After Kafka
- 프로듀서/컨슈머 분리
- 메시지 데이터를 여러 컨슈머에게 허용
- 높은 처리량을 위한 메시지 최적화
- 스케일 아웃 가능
- 관련 생태계 제공
Kafka broker & Cluster
🔖 Kafka broker

- 실행된 카프카 애플리케이션 서버 중 1대
- 3대 이상의 브로커로 클러스터 구성
- 주키퍼와 연동(~2.5.0버전)
- 주키퍼 역할 : 메타데이터(브로커id, 컨트롤러id 등) 저장
- n개의 브로커 중 1대는 컨트롤러(Controller) 기능 수행
- 컨트롤러: 각 브로커에게 담당 파티션 할당 수행. 브로커 정상 동작 모니터링 관리. 누가 컨트롤러 인지는 주키퍼에 저장
🔖 Record
- 객체를 프로듀서에서 컨슈머로 전달하기 위해 Kafka 내부에서 byte 형태로 저장할 수 있도록 직렬화/역직렬화하여 사용
- 기본 제공 직렬화 class: StringSerializer, ShortSerializer
- 커스텀 직렬화 class를 통해 Custom Object 직렬화/역직렬화 가능
- 보낼 Record를 정의
new ProducerRecord<String, String>("topic", "key", "message")
ConsumerRecords를 통해서 해당 topic의 데이터를 Key와 Value 형식으로 다시 받아옴.ConsumerRecords<String, String> records = consumer.poll(1000);
for (ConsumerRecord<String, String> record: records) {
...
}
🔖 Topic & Partition

Topic
- 메세지 분류 단위
- n개의 파티션 할당 가능
- 각 파티션마다 고유한 오프셋(offset)을 가짐
- 메시지 처리 순서는 파티션 별로 유지 관리됨
- 메시지 처리 순서는 반드시 들어간 순서대로 처리되지 않음
Partition
- 하나의 Topic에는 반드시 하나 이상의 파티션이 있어야 함
🔖 Producer & Consumer

- 프로듀서는 레코드를 생성하여 브로커로 전송
- 전송된 레코드는 파티션에 신규 오프셋과 함께 기록됨
- 컨슈머는 브로커로부터 레코드를 요청하여 가져감(polling)
- 각각의 다른 기능을 가진 컨슈머는 동일한 데이터를 여러 번 가져갈 수 있음
- offset=11 : ConsumerB가 이미 0부터 10번까지 가져감
🔖 Kafka log and segment

- 실제로 메시지가 파일시스템 단위로 저장됨
- 메세지가 저장될 때는 세그먼트 파일이 열려있음

- 세그먼트는 시간 또는 크기 기준으로 닫힘
- 세그먼트가 닫힌 이후 일정 시간(또는 용량)에 따라 삭제(delete) 또는 압축(compact)
🔖 파티션 3개인 토픽과 컨슈머 1대

- 1개의 컨슈머가 3개의 partition으로부터 polling
🔖 파티션 3개인 토픽과 컨슈머 3대

- 3개의 컨슈머로 이루어진 1개의 컨슈머 그룹이 토픽으로부터 polling 중
🔖 파티션 3개인 토픽과 컨슈머 4대

- 가능한 경우: 파티션 개수 ≥ 컨슈머 개수
- 불가능 : 파티션 개수 < 컨슈머 개수
- 나머지 컨슈머는 파티션을 할당받지 못하고 대기 중
🔖 컨슈머 3대 중 1대 장애 발생

- 컨슈머 중 한개가 장애가 난 경우에 대한 대비 가능
- 컨슈머 1번이 2개의 파티션에 할당 → 리밸런스
- 리밸런스 발생 : 파티션 컨슈머 할당 재조정
- 어떤 파티션이 어디 컨슈머에 할당해야 할지 모르기 때문에 할당하는 과정 중단
- 나머지 컨슈머가 파티션으로부터 polling 수행
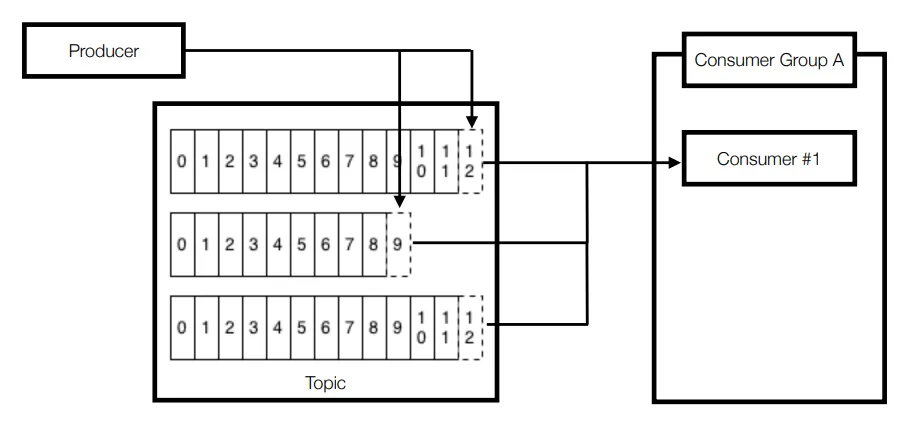
🔖 2개 이상의 컨슈머 그룹

- 목적에 따른 컨슈머 그룹을 분리할 수 있음
- 컨슈머 그룹 A의 컨슈머 1번이 파티션 0번의 12번을 처리해도 컨슈머 그룹 B의 컨슈머 1번은 컨슈머 그룹 A와 상관없이 파티션 0번의 12번을 처리할 수 있음
- 또는 장애에 대응하기 위해 재입수(또는 재처리) 목적으로 임시 신규 컨슈머 그룹을 생성하여 사용하기도 함
애플리케이션 로그 적재용 컨슈머 그룹 2개

- 엘라스틱 서치 : 로그 실시간 확인용. 시간순 정렬
- 하둡 : 대용량 데이터 적재. 이전 데이터 확인용
컨슈머 그룹 장애에 격리되는 다른 컨슈머 그룹

- 컨슈머 그룹 간 간섭(coupling) 줄임
- 하둡에 이슈가 발생하여 컨슈머의 적재 지연이 발생하더라도 엘라스틱서치에 적재하는 컨슈머의 동작에는 이슈가 없음
🔖 Broker partition replication

$bin/kafka-topics.sh --bootstrap-server localhost:9092 --create --topic topic_name --partitions 3

- Broker #1이 복구되기 전까지 partition #1 사용 불가
- Kafka broker 이슈에 대응하기 위해 사용할 수 있는 방법은? : Partiton을 다른 Broker에 복제하여 이슈를 대응한다. 1번 Broker에 이슈가 생기면 다른 Broker에 복제된 데이터를 사용한다
🔖 고가용성을 위한 복제

$bin/kafka-topics.sh --bootstrap-server localhost:9092 --create --topic topic_name --partition 3 **--replication-factor 3**
- 고 가용성을 위한 파티션 복제기능으로 데이터 유실 방지
🔖 리더 파티션, 팔로워 파티션

리더 파티션 : Kafka 클라이언트와 데이터를 주고 받는 역할
팔로워 파티션 : 리더 파티션으로 부터 레코드를 지속 복제
- 복제하는데 시간이 걸림
- 리더 파티션의 동작이 불가능할 경우 나머지 팔로워 중 1개가 리더로 선철됨
🔖 ISR, 리더와 팔로워의 싱크

- 파티션 3개, 레플리케이션이 3개로 이루어진 토픽이 브로커에 할당된 모습
ISR(In-Sync Replica) : 특정 파티션의 리더, 팔로워가 레코드가 모두 복제되어 sync가 맞는 상태
unclean.leader.election.enable : ISR이 아닌 상태에서 장애가 발생
Broker partition replication

- Brokder #1 장애 발생시
- partition #1의 리더가 브로커 1 또는 2 중에 새로 할당
- Kakfa 클라이언트는 새로운 파티션 리더와 연동
🔖 Kafka rack-awareness

- Server Rack은 하나의 파워로 구성
- Server Rack은 여러 개의 Server로 구성
- Rack이 내려가면 여러 개의 서버가 한번에 내려간다

- 1개의 Rack에 다수의 브로커를 몰아 넣는 것은 위험
- 다수의 Rack에 분산하여 브로커 옵션(broker.rack) 설정 및 배치
→ 파티션 할당 및 래플리케이션 동작 시 특정 브로커에 몰리는 현상 방지
🔖 왜 카프카 클러스터는 서버 장애에 대응한 로직이 많나요?
- 서비스 운영에 있어 장애 허용(Fault-tolerant)은 아주 중요
- 서버의 중단(이슈 발생, 재시작)은 언제나 발생할 수 있음
- 예) 30대 브로커로 이루어진 카프카 클러스터가 있을 때, 1대의 서버가 365일 중 1일 중단이 발생할 가능성이 있다고 가정하면 12.1(약 2주)에 한번씩 브로커 이슈 발생
- 일부 서버가 중단되더라도 데이터가 유실되면 안됨 : 안전성이 보장되지 않으면 신뢰도가 하락(사용 중단)
🔖 Kafka의 핵심요소 중간정리
Broker : 카프카 애플리케이션 서버 단위
Topic : 데이터 분리 단위. 다수 파티션 보유
Partition : 레코드를 담고 있음. 컨슈머 요청시 레코드 전달
Offset : 각 레코드당 파티션에 할당된 고유 번호
Consumer : 레코드를 polling하는 애플리케이션
Consumer group : 다중 컨슈머 묶음
Consumer offset : 특정 컨슈머가 가져간 레코드의 번호
Producer : 레코드를 브로커로 전송하는 애플리케이션
Replication : 파티션 복제 기능
ISR : 리더 + 팔로워 파티션의 sync가 되는 묶음
Rack-awareness : Server rack 이슈 대응
🔖 Kafka Client

- Kafka와 데이터를 주고받기 위해 사용하는 Java Library
- Producer, Consumer, Admin, Stream 등 Kafka 관련 api 제공
- 다양한 3rd party library 존재 : C/C++, Node.js, Python, .Net 등
- Kafka broker버전과 client 버전 하위호환 확인 필요
🔖 Kafka Streams

- 데이터를 변환(Transformation)하기 위한 목적으로 사용하는 API
- 스트림 프로세싱을 지원하기 위한 다양한 기능 제공
- Stateful 또는 Stateless와 같이 상태기반 스트림 처리 가능 : 장애가 나더라도 각각의 offset 레코드를 단 한번만 처리하는 고가용성 특징을 가지고 있음
- Stream api와 DSL(Domain Specific Language)를 동시 지원
- Exactily-once 처리, 고 가용성 특징
- Kafka security(acl, sasl 등) 완벽 지원
- 스트림 처리를 위한 별도 클러스터(ex. yarn 등) 불필요
🔖 Kafka Connect

- 많은 경우 Kafka client로 Kafka로 데이터를 넣는 코드를 작성할 때도 있지만, Kafka connect를 통해 dat를 import/export 할 수 있음
- 코드 없이 configuration으로 데이터를 이동시키는 것이 목적
- Standalone mode, distribution mode 지원
- REST api interface를 통해 제어
- Stream 또는 Batch 형태로 데이터 전송 가능
- 커스텀 connector을 통한 다양한 플로그인 제공(File, S3, Hive, MySQL 등등)
🔖 Kafka Mirror maker

- 특정 카프카 클러스터에서 다른 카프카 클러스터로 Topic 및 Record를 복제하는 Standard tool
- 2019년 11월, 기존 MirrorMaker을 개선한 MirrorMaker2.0 배포
- 클러스터간 토픽에 대한 모든 것을 복제하는 것이 목적
- 신규 토픽, 파티션 감지 기능 및 토픽 설정 자동 Sync 기능
- 양방향 클러스터 토픽 복제
- 미러링 모니터링을 위한 다양한 metric(latency, count 등) 제공
🔖 그 외 Kafka 생태계를 지탱하는 application들
confluent/ksqlDB : sql 구문을 통한 steam data processing 지원
confluent/Schema Registry : avro 기반의 스키마 저장소
confluent/REST Proxy : consumer/producer을 REST api를 통해서 post/get으로 데이터를 넣고 뺄 수 있음
linkedin/Kafka burrow : consumer lag 수집 및 분석
yahoo/CMAK : 카프카 클러스터 매니저
uber/uReplicator : 카프카 클러스터 간 토픽 복제(전달)
Spark stream : 다양한 소스(카프카 포함)로부터 실시간 데이터 처리