
스위치 ON (전력 전달)
스위치가 켜지면 입력 전압이 트랜스포머의 1차측에 인가됨.
2차측에도 전압이 유도되고, 정류 다이오드를 통해 전류가 부하로 전달됨.
이때 출력 인덕터는 에너지를 저장하면서 부드러운 출력 전압을 유지함.
스위치 OFF (자속 리셋)
스위치가 꺼지면 트랜스포머의 1차측에 흐르던 전류가 끊김.
트랜스포머의 자속을 리셋하기 위해 보조 권선 + 다이오드 또는 클램프 회로를 통해 자속이 방전됨.
출력단에서는 인덕터에 저장된 에너지가 부하로 전달됨.
① 스위칭 ON (MOSFET ON) (0 < t < DT 구간)

1차 측에 전압 인가 → 트랜스포머에 에너지 전달
2차측 권선에서 전압 유도 → 다이오드 D1 ON
출력 인덕터와 캐패시터에 에너지 저장 → 부하로 공급
동시에 트랜스포머는 자속을 생성함
전압 관계
Vs = 0
VT1 = Vi
VT2 = n1 x VT1
다이오드 상태
VT2 > 0 → D1 on, D2 off
→ VD2 = n1 x VT1 = n1 x Vi , L charge
② 스위칭 OFF (MOSFET OFF) (DT < t < T)

1차 전압 차단 → 트랜스포머 자속 붕괴 시작
다이오드 D1 OFF, 다이오드 D2 ON → 인덕터의 저장 에너지가 부하로 흐름
Reset 회로를 통해 트랜스포머 자속을 빠르게 제거 (자속 리셋)
Reset 방법: 보조 권선(보통 원비율) 또는 클램프 회로
다이오드 상태
D1 off, D2 on -> D2 freewheeling, L discharge

자화 인덕터 전압 & 전류

voltage-second 평형 조건 유도 (turn ON 넓이 = turn OFF 넓이)

인덕터 전류가 감소할 때 0까지 감소해야 함.
(전류가 0까지 감소하지 않으면 스위칭 주기가 지날 때마다 전류는 조금씩 증가해 포화 상태 됨)



voltage-second 평형 조건 유도 (turn ON 넓이 = turn OFF 넓이)

입출력 관계식

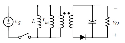
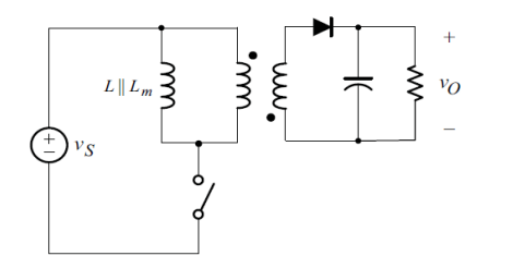
플라이백 컨버터(Flyback Converter)는 절연형(갤버닉 절연) 스위칭 전원의 한 종류로,
AC 또는 DC 입력을 DC 출력으로 변환하면서 출력과 입력 사이를 전기적으로 분리할 수 있는 DC-DC 컨버터.
트랜스포머를 사용하기 때문에 여러 개의 출력 전압을 쉽게 만들 수 있고, 벅-부스트와 유사한 원리
Buck-Boost의 절연형





DC-DC Converter 규칙
스위치 ON일때 인덕터 충전
스위치 OFF일때 인덕터 전류공급 (방전)
스위치 OFF일때 전압 생성
스위치 ON (에너지 저장)
스위치가 켜지면, 1차측에 전류가 흐르며 트랜스포머의 자기장에 에너지가 저장 (인덕터)
이때 2차측 다이오드는 역방향으로 바이어스되어 전류가 흐르지 않음.
커패시터 부하 저항에 전압 공급 (충전 : 전류 흡수)
스위치 OFF (에너지 방출)
스위치가 꺼지면 트랜스포머의 자기장이 붕괴되며 2차측에 전압 발생
다이오드가 순방향으로 도통되어 커패시터와 부하에 전류 흐름
커패시터 부하 저항에 전류 공급 (방전)

스위치 소자 ON

MOSFET ON 되면, 트랜스의 극성이 반대이므로 트랜스의 1차측 권선에 전류가 흘러, 에너지가 축적.
입력 전압이 1차 변압기에 인가, 2차 측에는 턴수비 (n)에 비례하는 전압 걸림. (-nVs)
다이오드의 역방향으로 전압이 걸리면서 이상적인 1차, 2차 변압기에는 전류가 흐르지 않고 전류는 1차측의 자화 인덕터에만 흐름
→ 다이오드 전압 (Vo+nVs)
자화 전류 im 만 흐르며 이는 자화 인턱터 Lm을 충전
스위치 소자 OFF

MOSFET OFF 되면, 축적된 에너지가 트랜스의 2차측 권선에서 다이오드를 통해 출력, 정류 및 평활을 통해 DC 전압을 생성
자화 인덕터에 흐르던 전류가 1차 변압기에 흐름.
2차 변압기에 전류가 흐르게 되고 부하로 전달






스위치 ON 일때 Iin = Im, OFF일때 0 → 입력전류 평균값 = Dim

2차측 다이오드로 스위치 ON 일때 Iout = 0
OFF일때 Iout = im/n → 출력전류 평균값 = (1-D)im/n
Iin x Vin = Iout x Vout → Vout / Vin = nD / (1-D)

스위치 ON 일때 Iin = Im
스위치 OFF 일때 전압원으로 돌아가지 않아 루프 돌면서 감소
(OFF 구간 동안 im이 감소하지 못하면 Lm은 포화, 상승과 하강을 반복하는 컨버터 파형이 나오지 않게됨)
※ DT 시간 일때 (ON), 인덕터 L에 Vs 걸리며
(1-D)T 시간 일때 (OFF), 인덕터 L에 Vo/n 걸림
푸쉬풀 컨버터는 트랜스포머의 중심탭(center tap)을 기준으로
좌우 권선에 +Vdc, –Vdc가 번갈아 인가되는 구조
| 구성요소 | 설명 |
|---|---|
| 스위치 2개 (Q1, Q2) | 서로 교대로 스위칭 (MOSFET, BJT, IGBT 등) |
| 중심탭 트랜스포머 | 전기적 절연 및 전압 승·강압 기능 |
| 출력 정류기 | 트랜스 2차 전압을 DC로 변환 |
| 출력 필터 (LC) | 리플 제거, 안정적 DC 출력 형성 |
| 입력 전원 (Vdc) | 보통 단일 DC 전압 입력 |
S1 ON, S2 OFF

S1만 ON (S2 OFF)
전류 흐름:
입력 전원 Vin이 S1을 통해 트랜스포머의 1차측 상단 권선으로 흐릅니다.
트랜스포머 동작:
트랜스포머 1차측에 전압이 인가되어 자속이 한 방향으로 형성되고, 2차측에도 유도 전압이 발생
(점 찍힌 방향 기준).
2차측 정류기:
2차측에서 정류 다이오드가 전도되며, 인덕터-캐패시터 필터를 통해 출력 전압이 공급
에너지 흐름:
전원에서 트랜스포머를 거쳐 부하로 에너지가 공급됩니다.
S1 OFF, S2 OFF

모두 OFF
전류 흐름:
트랜스포머 1차측은 열려있으므로 전류가 흐르지 않음.
트랜스포머 동작:
자속 변화가 없기 때문에 2차측에도 유도 전압이 발생하지 않음.
2차측 정류기:
다이오드는 역방향 바이어스 되거나 오픈 상태가 되며 전도하지 않음.
출력 전압 유지:
출력 필터 인덕터와 캐패시터가 축적된 에너지로 부하에 전력을 계속 공급함
(디스차징 상태).
S1 OFF, S2 ON

S2만 ON (S1 OFF)
전류 흐름:
입력 전원 Vin이 S2를 통해 트랜스포머의 1차측 하단 권선으로 흐릅니다.
트랜스포머 동작:
트랜스포머에 이번에는 반대 방향 자속이 형성되어, 2차측에도 반대 극성의 유도 전압이 생깁니다.
2차측 정류기:
다이오드는 여전히 같은 방향으로만 전류를 흐르게 하므로, 출력은 정상적으로 생성
(자속은 반대로 만들어졌지만 2차측 전압은 여전히 정류되어 같은 극성의 출력이 됨).
에너지 흐름:
다시 전원에서 부하로 에너지가 공급됨.
S1 켰을 때와는 반대 방향 자속이 형성되어 트랜스포머가 자속 평형을 유지.
S1 OFF, S2 OFF


VL에 voltage-second 평형 조건을 적용


| 상태 | 스위치 | 스위치 | 트랜스포머 자속 | 2차측 출력 |
|---|---|---|---|---|
| ① | ON | OFF | 정방향 자속 생성 | 출력 생성 |
| ② | OFF | OFF | 자속 변화 없음 | 출력 유지 (필터) |
| ③ | OFF | ON | 역방향 자속 생성 | 출력 생성 |
트랜스 1차 측에 교대로 ±Vdc/2의 전압을 인가해 트랜스포머를 교류적으로 동작시키며 전력을 전달
장점
| 항목 | 설명 |
|---|---|
| ✅ 절연 제공 | 트랜스포머 사용으로 고전압 절연 가능 |
| ✅ 부품 수 적음 | 풀 브리지보다 스위치 수가 적음 (2개) |
| ✅ EMI 적음 | 전류 중심 대칭 흐름 구조 |
| ✅ 중전력 적합 | 100W ~ 수 kW에 적합한 구조 |
단점
| 항목 | 설명 |
|---|---|
| ❌ 출력 전압 한계 | 듀티 사이클 0.5 이상 불가 → 출력 전압 제한 |
| ❌ 커패시터 밸런스 | C1, C2 불균형 시 트랜스포머 DC 바이어스 발생 가능 |
| ❌ Dead Time 필요 | 스위치 동시 도통(Shoot-through) 방지 필요 |

| 구성요소 | 설명 |
|---|---|
| 스위치 Q1, Q2 | 상·하단 스위치, 고속 스위칭 (MOSFET 또는 IGBT) |
| 커패시터 C1, C2 | 전압 분배용 (Vdc를 2등분) |
| 고주파 트랜스포머 | 절연 제공 및 전압 승·강압 |
| 출력 정류기 & 필터 | 2차측 정류 후 DC 전압으로 변환 및 평활화 |

동작 상태
▶️ Case 1: Q1 ON, Q2 OFF
전압 상태
트랜스포머 양단 = +Vdc / 2 (Q1 통해 상단 전원 연결)
중간점이 위로 끌어올려짐
동작 결과
트랜스에 정방향 자기장 인가, 2차측 출력 생성
에너지 축적 시작
▶️ Case 2: Q1 OFF, Q2 ON
전압 상태
트랜스포머 양단 = –Vdc / 2 (Q2 통해 하단 GND로 연결됨)
중간점이 아래로 떨어짐
동작 결과
트랜스에 역방향 자기장 인가, 2차측 계속 출력
에너지 복귀 또는 방출
⏸️ Case 3: Q1 OFF, Q2 OFF (Dead Time)
전압 상태
트랜스 1차 전압 ≈ 0 V (전류 흐름 없음)
동작 결과
자기장 유지 혹은 감쇠
다이오드 통한 역전류 방지 또는 에너지 잔류 방출
전압비
요약
| 스위치 상태 | 트랜스 전압 | 출력 유무 |
|---|---|---|
| Q1 ON, Q2 OFF | +Vdc/2 | 출력 발생 |
| Q1 OFF, Q2 ON | –Vdc/2 | 출력 유지 |
| 둘 다 OFF | 0V 또는 자유감쇠 | 출력 감소 또는 유지 |
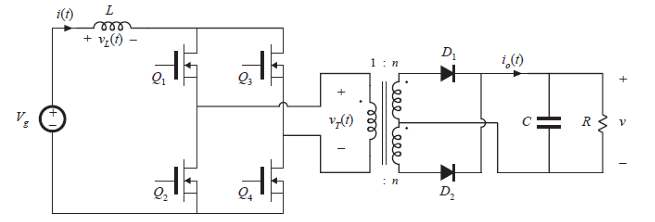
구조
| 단계 | 구성 |
|---|---|
| 1차측 | 풀 브리지 스위칭 (MOSFET 4개, ±Vdc 전압 인가) |
| 절연부 | 고주파 트랜스포머 (승압/강압 및 절연) |
| 2차측 | 동기 정류기 or 다이오드 + LC 벅 필터 |
장점
| 장점 | 설명 |
|---|---|
| 고전력 처리 가능 | ±Vdc 인가로 전력량 4배 이상 증가 가능 (하프 브리지 대비) |
| 대칭 전류 흐름 | 트랜스 양방향 교류로 자기포화 방지 |
| 높은 효율 | ZVS, ZCS 등 스위칭 손실 최소화 기법 적용 용이 |
| 다출력 확장 용이 | 절연 구조로 병렬·직렬 출력 조합 가능 |
단점
| 단점 | 설명 |
|---|---|
| 회로 복잡도 ↑ | 스위치 4개 + 드라이버 회로 필요 |
| 제어 회로 복잡 | 교차 스위칭, Dead Time 제어 필수 |
| 비용 ↑ | 스위치, 트랜스 설계 비용 증가 |

회로 구성
| 구성 요소 | 역할 |
|---|---|
| Q1 ~ Q4 (스위치 4개) | 교대로 켜져 트랜스포머에 전압 인가 |
| 고주파 트랜스포머 | 전압 변환 + 절연 기능 |
| 출력 정류기 및 필터 | 2차측 전압을 DC로 정류, 평활화 |
| 입력 전압 Vdc | 100~800V 등 고전압 DC 입력 |
🔁 스위치 작동 방식 (대칭형 스위칭)

🔄 동작 원리
⬆️ ① Q1, Q4 ON / Q2, Q3 OFF
트랜스 1차 권선에 +Vdc 전압 인가
전류 정방향 흐름, 에너지 전달
⬇️ ② Q1, Q4 OFF / Q2, Q3 ON
트랜스 1차 권선에 –Vdc 전압 인가
전류 역방향 흐름 (단, 2차는 정류되어 정방향 유지)
⏸️ ③ 모두 OFF (Dead Time)
전류 흐름 정지 또는 유도성 에너지 방출
전압비
요약
| 요소 | 내용 |
|---|---|
| 기본 구조 | MOSFET 4개 + 트랜스 + 정류회로 |
| 동작 원리 | 두 쌍의 스위치가 교대로 전압 인가 |
| 출력 전압식 | Vout = D × Vdc × (N2/N1) |
| 장점 | 고전력, 높은 효율, 자기포화 방지 |
| 단점 | 회로 복잡, 비용 상승 |
| 용도 | 고전압·고출력 산업 장비, 통신/의료/전기차 등 |

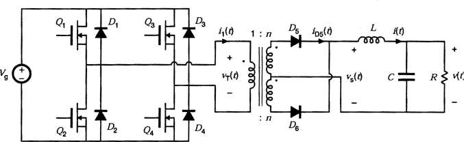
입력 측
Vg : 입력 DC 전압
L : 입력 인덕터 (전류 리플 저감 및 에너지 저장 역할)
Q1~Q4 : 풀 브리지 스위칭 소자 (MOSFET 또는 IGBT)
절연 및 변압부
고주파 트랜스포머: 1:n 권선비 → 절연 및 승압/강압 기능
트랜스 1차에 풀 브리지 스위치로 AC 전압이 생성되어 전달
출력 측
D1, D2 : 다이오드 정류기
C: 평활 콘덴서
R: 부하

① 풀 브리지 동작 (Q1–Q4)
Q1/Q4 → ON, Q2/Q3 → OFF → 트랜스 1차에 +Vg 인가
Q1/Q4 → OFF, Q2/Q3 → ON → 트랜스 1차에 –Vg 인가
이렇게 ±Vg의 고주파 교류 전압이 트랜스포머에 인가됨
※ Phase-Shift PWM을 사용하면 ZVS(Zero Voltage Switching)도 가능하여 고속 고효율 스위칭 가능
② 트랜스포머 2차측
교류 전압이 유도되고,
양의 주기에는 D₁ 도통
음의 주기에는 D₂ 도통
전류는 한 방향으로 콘덴서를 충전하고 부하에 에너지 전달
③ 출력 LC 필터
정류된 전류 리플을 제거하고 안정적인 DC 전압 출력
출력 전압 : Vout = D×Vg×n
IGBT
변압기 설계 9장
Ref
https://brandy2000.tistory.com/entry/Flyback-converter-%EB%BF%8C%EC%88%98%EA%B8%B0-1-%EB%B3%80%EC%95%95%EA%B8%B0-%EC%A0%88%EC%97%B0-%EC%BB%A8%EB%B2%84%ED%84%B0%EB%9E%80-%EB%AC%B4%EC%97%87%EC%9D%B8%EA%B0%80
https://blog.naver.com/lagrange0115/221100922235
https://brandy2000.tistory.com/entry/Flyback
Ref
하프브리지 컨버터 사진
https://www.researchgate.net/figure/Half-bridge-converter-topology_fig41_26899555
하프브리지 컨버터 파형
전력전자공학의 기초-정상상태의 컨버터 설계 및 해석. 신휘범 정세교 역
풀 브리지 컨버터 사진 및 파형
https://novel-coronavirus.onlinelibrary.wiley.com/doi/full/10.1002/047134608X.W5808.pub2
https://dergipark.org.tr/tr/download/article-file/229495
푸쉬풀
https://talema.com/smps-symmetrical-isolated-converters/
https://blog.naver.com/lagrange0115/220921723275