
자속 밀도 (Magnetic Flux Density, B)정의 : 자기장이 특정 면적을 통과할 때, 면적당 자속의 양단위 : 테슬라(T) 또는 Gauss (1 T = 10,000 G)기호 : 𝐵물리적 의미: 자기력이 미치는 ‘강도’와 ‘방향’을 나타내는 벡터 필드자속

: 전력 흐름 제어 및 형태 변환 하는 시스템전기에너지 장점쉽게 변환수송,분배,제어 용이 (저장 어려움)무공해일반적 전력처리 시스템 : 변압기 한계고정된 입력에 대해 전압이나 전류 주파수 변경 불가직류전압 및 직류전류 동작 X권선비는 전기적으로 조절 불가 (시불변소자)

변압기 (Transformer) • 교류 전압을 동일 주파수를 갖는 다른 크기의 전압으로 변환

사인파의 주기중 플러스 반주기만을 통과시킴다이오드에 인가되는 - 반주기의 경우 역방향바이어스 되어 통과 X사인파 +주기 통과, -주기 반전 = 사인파의 모든 극성 +로 변환\+ 구간KVL 적용시 Vout=Vin-2Vdon\- 구간KVL 적용시 -Vout-2Vdon+Vi

PWM SW

제어개루프 제어 시스템 (Open-loop Control System)제어 시스템은 입력(Input)과 출력(Output)으로 구성되며, 입출력 사이의 관계도를 "블록선도"라 한다.개루프 제어시스템은 실제 출력값을 점검하여 목표값과 일치하는지 비교하는 과정 (피드백)이

Voltage Regulator 일정한 전압을 안정, 유지

Buck Converter Buck converter 회로Buck converter 의 회로는 스위칭 부분과 다이오드, 인덕터 1개 로 이루어져 있습니다.Buck converter 동작Buck Converter 의 동작먼저 스위치를 닫았을 때에는 전원에서 인덕터를 통해
Cuk Converter Cuk 컨버터(Cuk Converter)는 입력 전압보다 높거나 낮은 출력 전압을 생성할 수 있는 DC-DC 컨버터 출력 전압의 극성이 입력과 반대인 반전형 컨버터이며, 전류가 연속적으로 흐르는 구조 Cuk 컨버터는 커패시터 C₁을 통해 에너

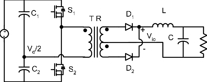
Push-Pull, Half-Bridge, Full-Bridge고출력, 고효율을 요구하는 시스템에서 사용.트랜스를 이용해 양방향 스위칭 수행.전기자동차 구동계, 서버용 전원에 사용됨.컨버터 전원과 부하 바꾸기벅컨버터 부스트 컨버터 직렬 연결3단자 셀 회전부하 차등 연결
스위칭 방식 하드 스위칭 (Hard Switching) 스위치가 전압과 전류가 모두 존재하는 상태에서 ON/OFF되는 방식. 가장 단순한 형태의 스위칭이며, 대부분의 기본 DC-DC 컨버터(벅, 부스트 등)에 사용 동작 특성 턴온 시: 이미 전압이 존재하고, 전류