
실제 DRAM 메모리는 단일 셀로 구성된 것이 아닌 여러 개의 DRAM cell의 집합, 즉 array 형태로 이루어져 있다.
예를 들어 256bit DRAM이라고 하면 256개의 DRAM cell이 16X16 배열 형태로 구성
가로줄을 wordline, 세로줄을 bitline으로 정의

구조 개요
기본 셀 구성
DRAM 특징
▶ 동작 단계:
쓰기 (Write)

※ 커패시터에 저장된 전하는 hold mode에서 WL를 off 시키면서
외부와 격리되어 쓰기 동작이 완료
읽기 (Read)

Word Line 활성화
커패시터의 전하를 Bit Line으로 방출
Sense Amplifier가 전하량을 감지하여 0/1 판단
커패시터에 V(H)가 걸려있는 상태라면 전하가 커패시터에서 BL로 이동하면서 BL 전압이 약간 증가함
커패시터에 V(L)가 걸려있는 상태라면 BL의 전하가 커패시터로 이동하면서 BL 전압이 약간 감소함
읽은 후에는 원래 데이터가 파괴됨 → 즉시 재쓰기 필요 (Restore)

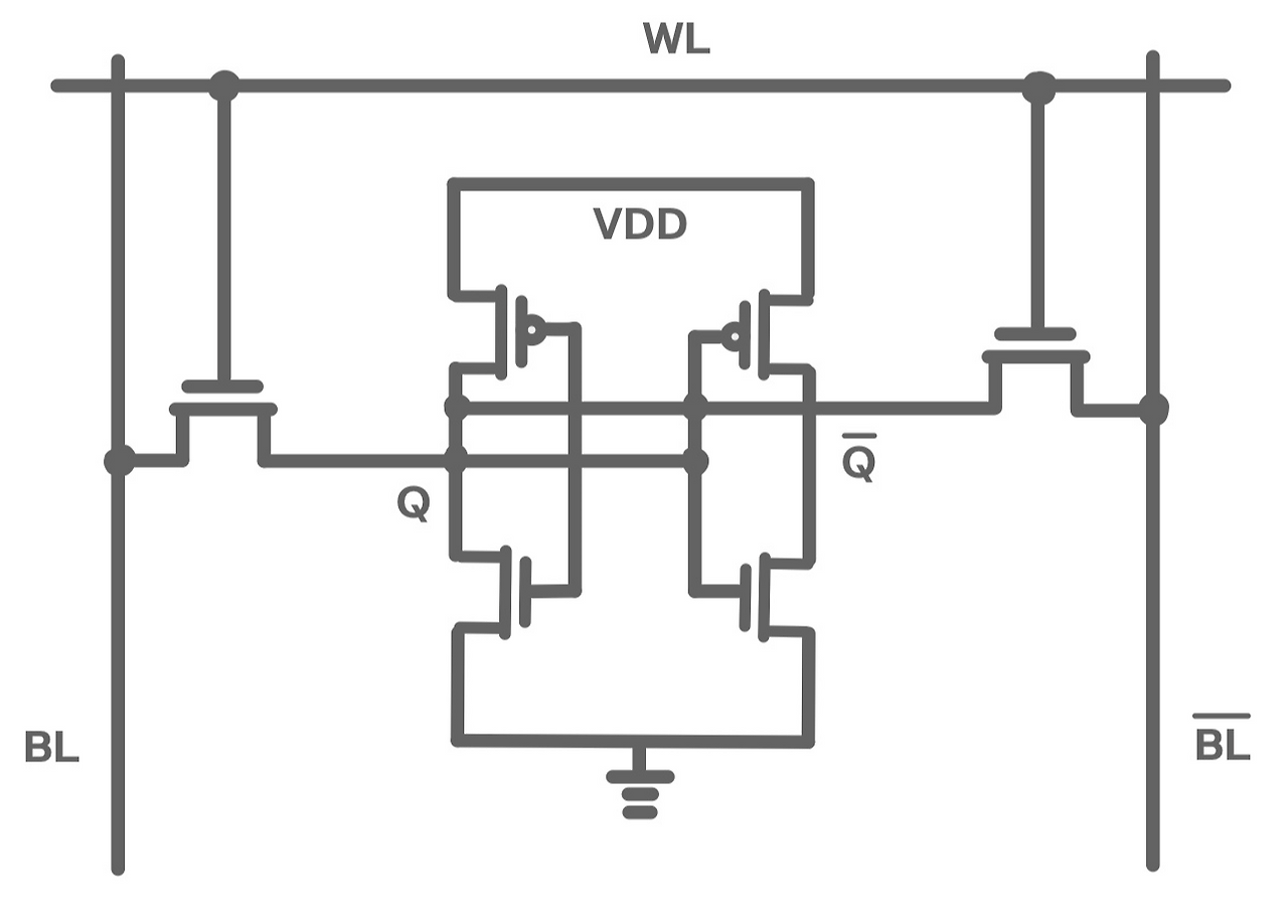
구조 개요
6개의 트랜지스터(6T 구조)로 하나의 비트를 저장
내부에 플립플롭(Flip-Flop) 회로를 구성해 데이터를 유지
재충전 불필요, 전원이 켜져 있는 동안은 상태를 그대로 유지
기본 셀 구성
2개의 Cross-Coupled Inverter (플립플롭 역할)
2개의 Access Transistor (Word Line을 통해 Bit Line과 연결)
SRAM 특징
매우 빠른 접근 속도 (수 ns 수준)
복잡한 회로 구조 → 면적 큼 → 고밀도 구현 어려움
캐시 메모리, 레지스터 파일 등에 사용
플립플롭(Flip-Flop) 구조로 데이터를 유지
전원이 켜져 있는 동안, 별도 Refresh 없이 상태 유지
셀 구성: 6T 셀
2개의 크로스 커플드 인버터 → 1비트를 기억
2개의 Access 트랜지스터 → Bit Line과 연결
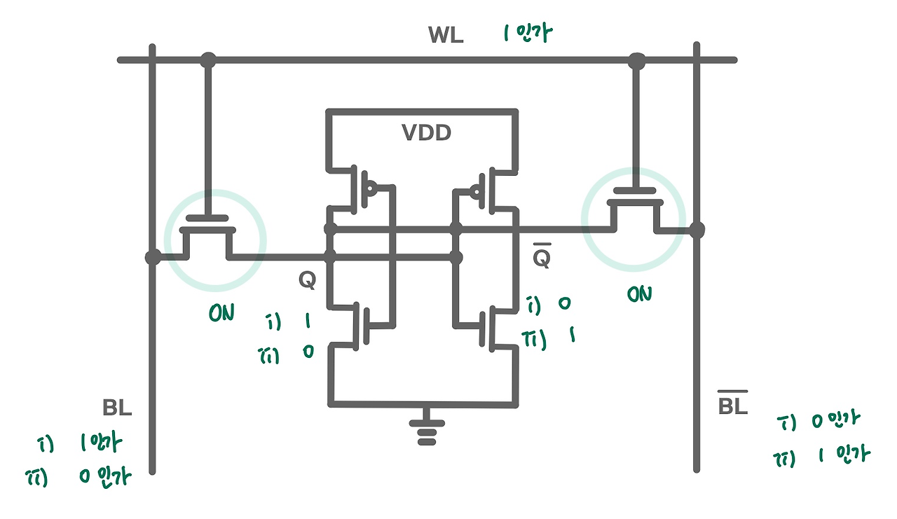
▶ 동작 단계:

" WL = 1(High) 인 상태에서 쓸 데이터를 BL에 주면 데이터가 써짐 "
※ BL과 BLb에는 각각 반대되는 데이터를 주어야한다.
※ Hold mode로 돌아가 WL = 0이 되면 access tr이 꺼지면서 새로운 데이터가 들어가지 않아 내부 래치 회로에서 현재값을 유지하게 된다. 이에 따라 DRAM처럼 주기적으로 refresh를 해줄 필요가 없다.
읽기 (Read)

Word선 전위를 off
Bit선을 프리차지 (D, D에 동일 전위)
Word선 전위를 high
Bit선이 low, high의 상태가 됨
센스 앰프로 증폭
Refresh 필요 없음
※ SRAM의 bit cell은 누설 전류와 사이즈 측면에서 매우 작게 설계되기 때문에 그 전압차를 판별하기 힘들다. 따라서 BL과 BLb를 Vdd로 precharge하고 cell data에 의해 발생하는 전압차를 sense amplifier로 증폭시킨다.
Ref
https://www.rohm.co.kr/electronics-basics/memory/memory_what2
https://boaaaang.tistory.com/entry/DRAM%EC%9D%98-%EB%8F%99%EC%9E%91-%EB%8C%80%EA%B8%B0-%EC%9D%BD%EA%B8%B0-%EC%93%B0%EA%B8%B0-REFRESH-%EB%8F%99%EC%9E%91