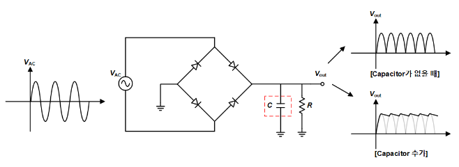
다이오드, 문턱전압, 항복전압
다이오드의 역할중....정류: 교류->직류



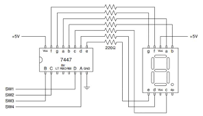
BCD 코드는 10진법의 각 자리를 4비트의 2진수로 변환한 코드
자릿수가 늘어나면 자릿수만큼의 4비트 2진수로 표시한다





7447디코더 입력(DCBA)에 BCD코드 입력, 7447디코더 출력에 다이오드 연결

BCD코드 구간에 따라, 표 Y값 변화 확인

BCD : 0001

BCD : 0011

BCD : 0101

BCD : 1001


포토커플러는 빛으로 신호를 전달하기 때문에 발광 소자와 수광 소자 사이가 전기적으로 분리(절연)된다는 점이 가장 큰 특징. 이 때문에 포토커플러는 서로 다른 전기장치를 연결하는 인터페이스 회로에 많이 사용된다.
포토커플러는 디지털 회로에서 교류 전원과 디지털 회로를 전기적으로 분리하는 데 사용될 수 있다. 또한 디지털 신호와 아날로그 신호가 섞여 있는 회로에서 이들을 전기적으로 분리하는 데 사용된다.
포토커플러를 사용하면, 전기 잡음이 다른 장치나 회로에 전달되는 것을 막을 수 있다. 또한 발광 소자로부터 수광 소자 방향으로만 신호가 전달되므로 회로의 출력이 입력에 영향을 미치지 못하게 막을 수 있다.
Vin 디지털 펄스가 인가되면, 그에 따라 LED가 온/오프 된다. 그러면 LED의 빛에 의해 포토트랜지스터도 온/오프된다. 출력 Vout은 포토트랜지스터가 온되면 접지와 연결되고, 오프되면 Vcc와 연결된다.


따라서 Vin과 Vout의 위상이 서로 반대이다





단안정모드
Low를 안정 상태로 가지는 동작 모드
단안정 멀티바이브레이터
비안정 모드
안정된 상태 없이 High와 Low를 반복적으로 출력하는 모드
외부에 연결된 저항과 커패시터 값을 조절하여 출력 펄스의 주파수와 폭 조절
비안정 멀티바이브레이터
쌍안정 모드
High와 Low 모두 안정 상태인 동작 모드
쌍안정 멀티바이브레이터

회로

결과

주기 약 23ms
f=1.44/((3300+2*15000)*0.000001)
= 43.24
Th=0.693(r1+r2)C
Tl=0.693R2C
T=Th+Tl=0.693(R1+2R2)C
f=1.44/(R1+2R2)C
회로

결과

회로
R1,R2의 값을 바꿨다


주기값을 알기 힘들다




타이머 IC로 구성한 비안정 멀티바이브레이터의 출력단자에 LED 연결
비안정 멀티바이브레이터의 출력을 낮은 주파수로 설정(수~수십Hz, 너무 높으면 점멸이 아니라 켜져있는것 처럼 보임)
비안정 멀티바이브레이터에 의해 생성되는 펄스의 주파수 식을 바탕으로 저항 또는 커패시터의 용량을 조절하여 설정

