loadable_down_counter_bcd_60 추가
module loadable_down_counter_bcd_60(
input clk, reset_p,
input clk_time,
input load_enable,
input [3:0] load_bcd1, load_bcd10, //덮어쓰기 로드를 받기위한 입력
output reg [3:0] bcd1, bcd10);
wire clk_time_nedge;
edge_detector_n ed_clk(
.clk(clk), .reset_p(reset_p), .cp(clk_time),
.n_edge(clk_time_nedge));
always @(posedge clk or posedge reset_p)begin
if(reset_p)begin //리셋 우선
bcd1 = 0;
bcd10 = 0;
end
else begin
if(load_enable)begin
bcd1 = load_bcd1;
bcd10 = load_bcd10;
end
else if(clk_time_nedge)begin
if(bcd1 == 0)begin
bcd1 = 9;
if(bcd10 == 0)bcd10 = 5;
else bcd10 = bcd10 - 1;
end
else bcd1 = bcd1 - 1;
end
end
end
endmodule
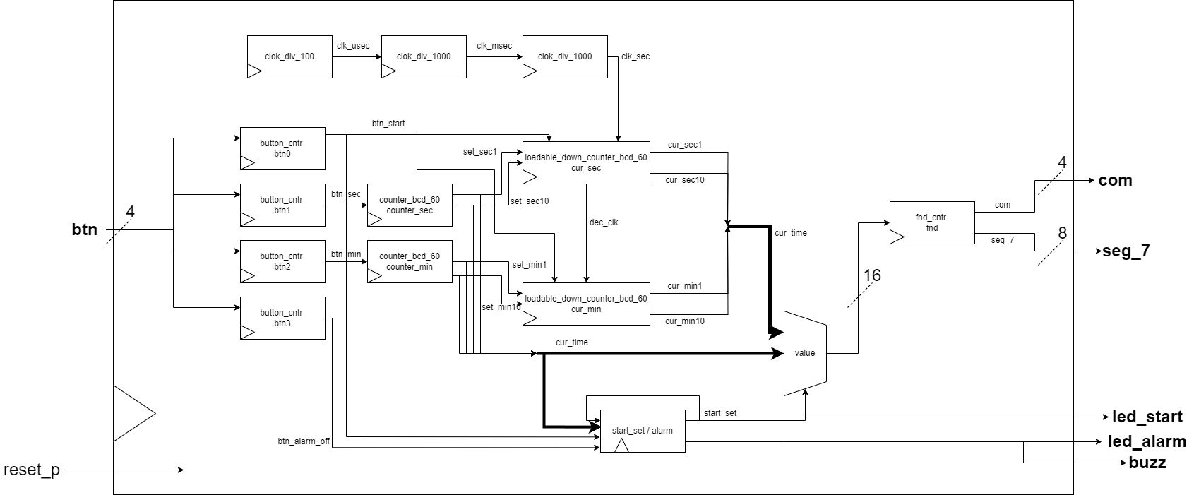
cook_timer_top
module cook_timer_top(
input clk, reset_p,
input [3:0] btn,
output [3:0] com,
output [7:0] seg_7,
output led_alarm, led_start);
wire clk_usec, clk_msec, clk_sec, clk_min;
clock_div_100 usec_clk(.clk(clk), .reset_p(reset_p), .clk_div_100(clk_usec));
clock_div_1000 msec_clk(.clk(clk), .reset_p(reset_p),
.clk_source(clk_usec), .clk_div_1000(clk_msec));
clock_div_1000 sec_clk(.clk(clk), .reset_p(reset_p),
.clk_source(clk_msec), .clk_div_1000_nedge(clk_sec));
clock_div_60 min_clk(.clk(clk), .reset_p(reset_p),
.clk_source(clk_sec), .clk_div_60_nedge(clk_min));
wire btn_start, btn_sec, btn_min, btn_alarm_off;
button_cntr btn0(.clk(clk), .reset_p(reset_p), .btn(btn[0]), .btn_pedge(btn_start));
button_cntr btn1(.clk(clk), .reset_p(reset_p), .btn(btn[1]), .btn_pedge(btn_sec));
button_cntr btn2(.clk(clk), .reset_p(reset_p), .btn(btn[2]), .btn_pedge(btn_min));
button_cntr btn3(.clk(clk), .reset_p(reset_p), .btn(btn[3]), .btn_pedge(btn_alarm_off));
wire [3:0] set_min10, set_min1, set_sec10, set_sec1;
wire [3:0] cur_min10, cur_min1, cur_sec10, cur_sec1;
counter_bcd_60 counter_sec(.clk(clk), .reset_p(reset_p),
.clk_time(btn_sec), .bcd1(set_sec1), .bcd10(set_sec10));
counter_bcd_60 counter_min(.clk(clk), .reset_p(reset_p),
.clk_time(btn_min), .bcd1(set_min1), .bcd10(set_min10));
loadable_down_counter_bcd_60 cur_sec(
.clk(clk), .reset_p(reset_p), .clk_time(clk_sec),
.load_enable(btn_start),
.load_bcd1(set_sec1), .load_bcd10(set_sec10),
.bcd1(cur_sec1), .bcd10(cur_sec10));
loadable_down_counter_bcd_60 cur_min(
.clk(clk), .reset_p(reset_p), .clk_time(clk_min),
.load_enable(btn_start),
.load_bcd1(set_min1), .load_bcd10(set_min10),
.bcd1(cur_min1), .bcd10(cur_min10));
wire [15:0] value, set_time, cur_time;
assign set_time = {set_min10, set_min1, set_sec10, set_sec1};
assign cur_time = {cur_min10, cur_min1, cur_sec10, cur_sec1};
reg start_set, alarm; //기본 T플립플롭의 틀에다가 코드 추가 always문 사용 wire->reg로 변경
always @(posedge clk or posedge reset_p)begin
if(reset_p)begin
start_set = 0;
alarm = 0;
end
else begin
if(btn_start)start_set = ~start_set;
else if(cur_time == 0 && start_set)begin
start_set = 0;
alarm = 1;
end
else if(btn_alarm_off) alarm = 0;
end
end
assign led_alarm = alarm;
assign led_start = start_set;
assign value = start_set ? cur_time : set_time;
fnd_cntr fnd (.clk(clk), .reset_p(reset_p), .value(value), .com(com), .seg_7(seg_7));
endmodule
초에서 다운 카운트를 완료해도 싱크가 맞지 않아 분이 바뀌지 않는것을 수정-다운카운트하는 시간과 시스템 클락으로 카운트하던 시간이 맞지 않음-다운 카운트 모듈에서 나오는 펄스 클락을 사용
60진 다운카운터 모듈
module loadable_down_counter_bcd_60(
input clk, reset_p,
input clk_time,
input load_enable,
input [3:0] load_bcd1, load_bcd10, //덮어쓰기 로드를 받기위한 입력
output reg [3:0] bcd1, bcd10,
output reg dec_clk);
wire clk_time_nedge;
edge_detector_n ed_clk(
.clk(clk), .reset_p(reset_p), .cp(clk_time),
.n_edge(clk_time_nedge));
always @(posedge clk or posedge reset_p)begin
if(reset_p)begin //리셋 우선
bcd1 = 0;
bcd10 = 0;
dec_clk = 0;
end
else begin
if(load_enable)begin
bcd1 = load_bcd1;
bcd10 = load_bcd10;
end
else if(clk_time_nedge)begin
if(bcd1 == 0)begin //십의자리5, 일의자리9가 됬을때 클락1 생성
bcd1 = 9;
if(bcd10 == 0)begin
bcd10 = 5;
dec_clk = 1;
end
else bcd10 = bcd10 - 1;
end
else bcd1 = bcd1 - 1;
end
else dec_clk = 0; //one cycle pulse 가능, clk_time_nedge와 clk_time_nedge사이에
end
end
endmodule
코드
module cook_timer_top(
input clk, reset_p,
input [3:0] btn,
output [3:0] com,
output [7:0] seg_7,
output led_alarm, led_start);
wire clk_usec, clk_msec, clk_sec, clk_min;
clock_div_100 usec_clk(.clk(clk), .reset_p(reset_p), .clk_div_100(clk_usec));
clock_div_1000 msec_clk(.clk(clk), .reset_p(reset_p),
.clk_source(clk_usec), .clk_div_1000(clk_msec));
clock_div_1000 sec_clk(.clk(clk), .reset_p(reset_p),
.clk_source(clk_msec), .clk_div_1000_nedge(clk_sec));
// clock_div_60 min_clk(.clk(clk), .reset_p(reset_p),
// .clk_source(clk_sec), .clk_div_60_nedge(clk_min));
wire btn_start, btn_sec, btn_min, btn_alarm_off;
button_cntr btn0(.clk(clk), .reset_p(reset_p), .btn(btn[0]), .btn_pedge(btn_start));
button_cntr btn1(.clk(clk), .reset_p(reset_p), .btn(btn[1]), .btn_pedge(btn_sec));
button_cntr btn2(.clk(clk), .reset_p(reset_p), .btn(btn[2]), .btn_pedge(btn_min));
button_cntr btn3(.clk(clk), .reset_p(reset_p), .btn(btn[3]), .btn_pedge(btn_alarm_off));
wire [3:0] set_min10, set_min1, set_sec10, set_sec1;
wire [3:0] cur_min10, cur_min1, cur_sec10, cur_sec1;
counter_bcd_60 counter_sec(.clk(clk), .reset_p(reset_p),
.clk_time(btn_sec), .bcd1(set_sec1), .bcd10(set_sec10));
counter_bcd_60 counter_min(.clk(clk), .reset_p(reset_p),
.clk_time(btn_min), .bcd1(set_min1), .bcd10(set_min10));
wire dec_clk;
loadable_down_counter_bcd_60 cur_sec(
.clk(clk), .reset_p(reset_p), .clk_time(clk_sec),
.load_enable(btn_start),
.load_bcd1(set_sec1), .load_bcd10(set_sec10),
.bcd1(cur_sec1), .bcd10(cur_sec10), .dec_clk(dec_clk));
loadable_down_counter_bcd_60 cur_min(
.clk(clk), .reset_p(reset_p), .clk_time(dec_clk),
.load_enable(btn_start),
.load_bcd1(set_min1), .load_bcd10(set_min10),
.bcd1(cur_min1), .bcd10(cur_min10));
wire [15:0] value, set_time, cur_time;
assign set_time = {set_min10, set_min1, set_sec10, set_sec1};
assign cur_time = {cur_min10, cur_min1, cur_sec10, cur_sec1};
reg start_set, alarm; //기본 T플립플롭의 틀에다가 코드 추가 always문 사용 wire->reg로 변경
always @(posedge clk or posedge reset_p)begin
if(reset_p)begin
start_set = 0;
alarm = 0;
end
else begin
if(btn_start)start_set = ~start_set;
else if(cur_time == 0 && start_set)begin
start_set = 0;
alarm = 1;
end
else if(btn_alarm_off) alarm = 0;
end
end
assign led_alarm = alarm;
assign led_start = start_set;
assign value = start_set ? cur_time : set_time;
fnd_cntr fnd (.clk(clk), .reset_p(reset_p), .value(value), .com(com), .seg_7(seg_7));
endmodule

xdc
##Pmod Header JA
set_property -dict { PACKAGE_PIN J1 IOSTANDARD LVCMOS33 } [get_ports {buzz}];#Sch name = JA1
#set_property -dict { PACKAGE_PIN L2 IOSTANDARD LVCMOS33 } [get_ports {JA[1]}];#Sch name = JA2
#set_property -dict { PACKAGE_PIN J2 IOSTANDARD LVCMOS33 } [get_ports {JA[2]}];#Sch name = JA3
#set_property -dict { PACKAGE_PIN G2 IOSTANDARD LVCMOS33 } [get_ports {JA[3]}];#Sch name = JA4
#set_property -dict { PACKAGE_PIN H1 IOSTANDARD LVCMOS33 } [get_ports {JA[4]}];#Sch name = JA7
#set_property -dict { PACKAGE_PIN K2 IOSTANDARD LVCMOS33 } [get_ports {JA[5]}];#Sch name = JA8
#set_property -dict { PACKAGE_PIN H2 IOSTANDARD LVCMOS33 } [get_ports {JA[6]}];#Sch name = JA9
#set_property -dict { PACKAGE_PIN G3 IOSTANDARD LVCMOS33 } [get_ports {JA[7]}];#Sch name = JA10
코드
module cook_timer_top(
input clk, reset_p,
input [3:0] btn,
output [3:0] com,
output [7:0] seg_7,
output led_alarm, led_start, buzz); //부저사용
wire clk_usec, clk_msec, clk_sec, clk_min;
clock_div_100 usec_clk(.clk(clk), .reset_p(reset_p), .clk_div_100(clk_usec));
clock_div_1000 msec_clk(.clk(clk), .reset_p(reset_p),
.clk_source(clk_usec), .clk_div_1000(clk_msec));
clock_div_1000 sec_clk(.clk(clk), .reset_p(reset_p),
.clk_source(clk_msec), .clk_div_1000_nedge(clk_sec));
// clock_div_60 min_clk(.clk(clk), .reset_p(reset_p),
// .clk_source(clk_sec), .clk_div_60_nedge(clk_min));
wire btn_start, btn_sec, btn_min, btn_alarm_off;
button_cntr btn0(.clk(clk), .reset_p(reset_p), .btn(btn[0]), .btn_pedge(btn_start));
button_cntr btn1(.clk(clk), .reset_p(reset_p), .btn(btn[1]), .btn_pedge(btn_sec));
button_cntr btn2(.clk(clk), .reset_p(reset_p), .btn(btn[2]), .btn_pedge(btn_min));
button_cntr btn3(.clk(clk), .reset_p(reset_p), .btn(btn[3]), .btn_pedge(btn_alarm_off));
wire [3:0] set_min10, set_min1, set_sec10, set_sec1;
wire [3:0] cur_min10, cur_min1, cur_sec10, cur_sec1;
counter_bcd_60 counter_sec(.clk(clk), .reset_p(reset_p),
.clk_time(btn_sec), .bcd1(set_sec1), .bcd10(set_sec10));
counter_bcd_60 counter_min(.clk(clk), .reset_p(reset_p),
.clk_time(btn_min), .bcd1(set_min1), .bcd10(set_min10));
wire dec_clk;
loadable_down_counter_bcd_60 cur_sec(
.clk(clk), .reset_p(reset_p), .clk_time(clk_sec),
.load_enable(btn_start),
.load_bcd1(set_sec1), .load_bcd10(set_sec10),
.bcd1(cur_sec1), .bcd10(cur_sec10), .dec_clk(dec_clk));
loadable_down_counter_bcd_60 cur_min(
.clk(clk), .reset_p(reset_p), .clk_time(dec_clk),
.load_enable(btn_start),
.load_bcd1(set_min1), .load_bcd10(set_min10),
.bcd1(cur_min1), .bcd10(cur_min10));
wire [15:0] value, set_time, cur_time;
assign set_time = {set_min10, set_min1, set_sec10, set_sec1};
assign cur_time = {cur_min10, cur_min1, cur_sec10, cur_sec1};
reg start_set, alarm; //기본 T플립플롭의 틀에다가 코드 추가 always문 사용 wire->reg로 변경
always @(posedge clk or posedge reset_p)begin
if(reset_p)begin
start_set = 0;
alarm = 0;
end
else begin
if(btn_start)start_set = ~start_set;
else if(cur_time == 0 && start_set)begin
start_set = 0;
alarm = 1;
end
else if(btn_alarm_off) alarm = 0;
end
end
assign led_alarm = alarm;
assign buzz = alarm; //부저 사용
assign led_start = start_set;
assign value = start_set ? cur_time : set_time;
fnd_cntr fnd (.clk(clk), .reset_p(reset_p), .value(value), .com(com), .seg_7(seg_7));
endmodule
