컴퓨터의 산술연산
- 컴퓨터의 words는 이진수로 표현되어 있다.
Q) 컴퓨터가 이진수 연산(더하기, 빼기, 곱하기, 나누기)을 효율적으로 하기 위해선 어떻게 디자인 해야 하는가?
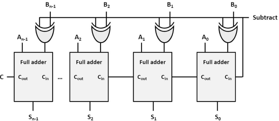
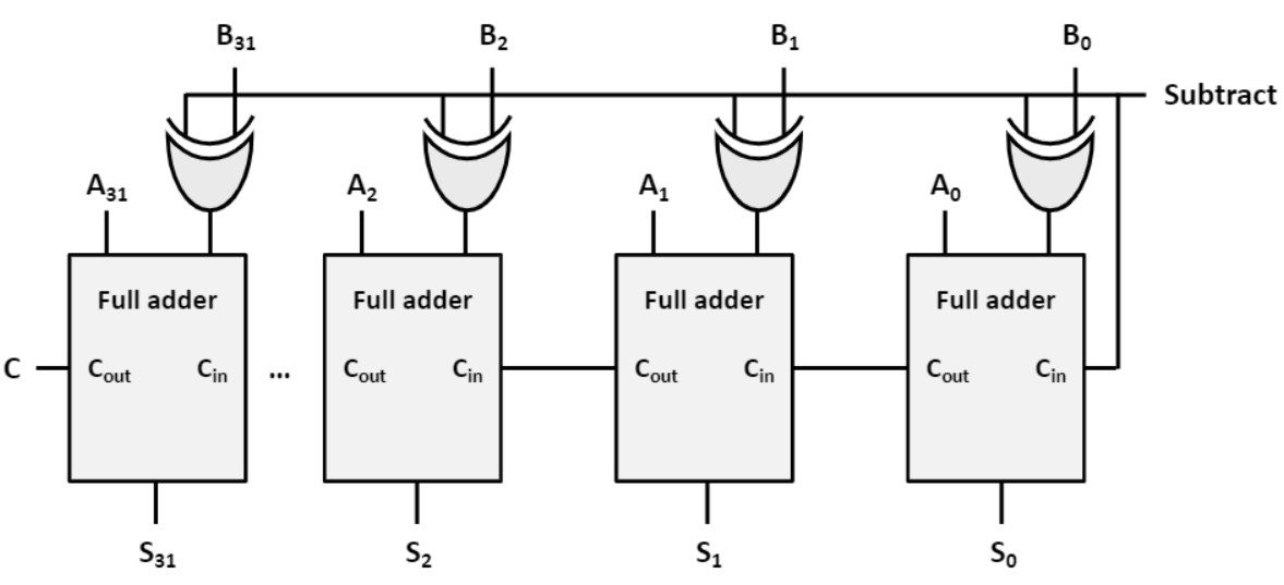
더하기 / 빼기


덧셈과 뺄셈을 위한 Circuit design
- Half adder
- carry input이 없는 1비트 연산이다
- input : 2개의 1비트 데이터 A,B
- Output : sum(S), carry(C)

cf) XOR : 두개중 1개만 1일 때 출력값 1

- Full adder
- carry-input을 가진 1비트의 adder
- input : 두개의 1비트 데이터 A, B 와 carry(Cin)
- Output: sum(S), carry(Cout)


- N-비트 평행한 이진 덧셈기
- 처음 carry input은 0이다.
- i번째 adder는 (i-1)번째 adder가 carry를 생성할 때 까지 carry를 기다린다.((i-1)번째의 carry out은 i번째의 carry in이 된다.)

- Adder with subtractor(2's complement)
- Subtract = 0 또는 1(subtract == 1이면 Bi는 반전된다.)
- Subtract는 또한 initial carry로 이용된다. (만일 subtract==1이면 1이 더해진다.)
- subtract가 1이라면 모든 비트를 반전하고 +1을 한다.

- MIPS -based 컴퓨터는 32비트의 words를 연산 작업에서 사용한다.
- 16비트의 immediate operand에 포함되어 있는 상수는 32비트로 연장된다.

Overflow
- 오버플로우는 연산 결과가 너무 클 때 발생한다.(범위를 넘어감)
cf) carry의 overflow는 무시된다. (overflow 확인 시 sign bit만 체크한다.)

- 오버플로우는 이런 상황에 발생한다.
- 두개의 양수 또는 두개의 음수를 더했을 때 결과의 sign이 다른 수로 나왔을 때
- 양수에서 음수를 뺐을 때 결과의 sign이 1이 나올 때
- 음수에서 양수를 나왔을 경우에 결과의 sign이 0이 나왔을 때

-
오버플로우 탐지는 어떻게 해야될까?
- add, addi, sub 지시사항을 이용한다.
- 오버플로우에서 예외처리를 한다.(프로그햄은 미리 정의된 exception handler 주소로 jump한다.)
- e.g) 포트란 언어는 오버플로우를 허용하지 않는다. MIPS 포르탄 컴파일러는 항상 add, addi, sub를 이용한다.
-
오버플로우 무시하려면 어떻게 해야 할까?
- addu, addui, subu 지시사항을 이용한다.(u는 unsigned를 의미한다.)
- 오버플로우에서 예외처리를 하지 않는다.
- e.g) C는 오버플로우를 무시한다. MIPS C 컴파일러는 항상 addu, addui, subu를 이용한다.
곱셈

- 만일 multiplicand 와 multiplier가 m과 n 숫자를 가지고 있다면 product는 최대 m+n 숫자를 가지고 있다.
- MIPS를 기반으로 한 컴퓨터는 연산작업을 하기 위해 32비트의 words를 가지고 있다.
- MIPS를 기반으로 한 컴퓨터는 product로 최대 64 digits를 가지고 있다.
HW에서 곱셈 연산에서의 최적화 버전


ex) N = 4일때(4-비트 ALU / multiplicand, 8-비트 product), 2 X 3 = ?

- 우리는 적은 값의 레지스터를 가지고 곱셈 연산을 진행할 수 있다.
Signed multiplication
- multiplicand 와 multiplier를 양수로 반환을 한 후에 곱셈연산을 한다.
- 31번의 반복을 진행한다.(sign 비트 이외에 반복)
- 곱셈연산 이후에 결과값을 반전시킨다.(요구된다면)
- 더 좋은 해결책 : Booth's Algorithm
- 2's complement signed 숫자의 곱셈 작업을 더 효율적인 방법으로 진행한다.
- unsigned number의 곱셈과 거의 동일한 하드웨어를 요구한다.
MIPS에서의 곱셈
- product에 2개의 32비트 레지스터가 이용된다.
- HI : 32비트의 most significant bits
- LO : 32비트의 least significant bits
- instruction
- mult rs, rt / multu rs, rt
- mfhi rd / mflo rd


MIPS-base computer의 곱셈 연산
-
ex) mult $t0, $t1
-
$t0(multiplicand)는 multiplicand register로 이용된다.
-
처음에 $t1(multiplier)의 값은 LO register로 load된다.
-
곱연산을 진행하고 64비트의 product를 HI 와 LO register에 저장한다.

나눗셈

-
만약 Dividend 와 Divisor가 M과 N이라면, Quotiet의 길이 <= M - N +1 이고 remainder의 길이 <= N 이 된다.
-
MIPS-기반으로 한 컴퓨터에서 32비트는 Dividend와 Divisor를 표현하는데 이용된다. 그러므로, Quotient와 Remainder <= 32 이다.
-
다음은 32 비트 divisor register/ALU이고
-
64비트 remainder register이다.(dividend와 quotient는 remainder와 레지스터를 공유한다.)


- ex) N = 4(4비트 ALU / divisor, 8비트 remainder)에서 7/3 =?

Signed division
- divisor와 dividend를 바꾼 후에 나눗셈을 진행한다.
- divison 이후에
- divisor와 dividend의 sign값이 다를 경우에만 quotient를 반전시킨다.
- 0이 아닌 remainder의 부호가 dividend와 동일하게 맞춘다.
- 7(Dividend) / -3(Divisor) = -2(quotient)... 1(remainder)
- -7 / 3 = -2(quotient)... -1(remainder)
MIPS에서 나눗셈
- 2개의 32비트 레지스터가 product에 이용된다.
- HI : Remainder
- LO : Qoutient
- instructions
- div rs, rt / divu rs, rt ($rs / $rt를 진행해라)
- 결과는 (remainder & quotient)는 HI와 LO에 저장되어 있다. (오버 플로우가 없거나 zero division 문제가 없을 시)

MIPS-based 컴퓨터의 division
-
ex) div $t0, $t1
-
처음에 $t0(dividend)에 존재하는 값이 LO 레지스터에 load된다.
-
처음에 $t1(divisor)가 dividor 레지스터로 이용된다.
-
나눗셈을 진행하고 remainder와 quorient를 HI와 LO 레지스터에 저장한다.

요약 : 연산 작업을 위한 디자인
- 덧셈과 뺄셈을 할 때 같은 HW를 이용한다.
- 32비트의 평향한 adder
- 추가적인 XOR 연산자 + subtract bit

- 곱셈과 나눗셈을 할 때 같은 최적화된 HW를 이용한다.
- multiplicand, divisor를 위한 single 32비트 레지스터
- single 32비트 ALU
- 나눗셈과 곱셈의 결과를 HI와 LO 레지스터
