순서논리회로설계/해석

Solf·2023년 6월 28일
0

논리회로

목록 보기
8/8
post-thumbnail

순서논리회로는 조합논리회로와 달리 상태를 가지기 때문에 설계 시 더욱 신경을 써주어야 한다. 따라서 순서논리회로를 설계하고 해석하는 방법을 익혀야한다.

상태도


상태와 입력값에 따른 상태와 출력의 변화를 이해할 수 있도록 그림으로 나타낸 것.

여기표


특성표가 입력에 따른 다음 상태를 보여주는 표였다면, 여기표는 다음상태를 위해 필요한 요구 입력을 보여주는 관점의 차이라고 볼 수 있다. 위와 같은 방법으로 상호변환 가능하다.

무어머신


플립플롭들의 현재 상태만의 함수인 회로로서 출력이 상태내에 결합되어 표시된다.

밀리머신


현재 상태와 입력의 함수인 회로로서 출력은 화살선 위에 표시한다.

순서논리회로의 해석과정


회로도 -> 동작이해

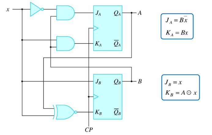
  1. 회로 입력과 출력에 대한 변수 명칭 부여
  2. 조합논리회로가 있으면 조합논리회로의 불 대수식 유도
  3. 회로의 상태표 작성
  4. 상태표를 이용하여 상태도 작성
  5. 상태방정식 유도
  6. 상태표와 상태도를 분석하여 회로의 동작 설명

변수명칭 부여

변수 선마다 변수명을 부여하여 불대수로 만들 수 있는 틀을 마련한다. 회로 전체의 입출력 변수 뿐만 아니라 플립플롭의 입출력에도 각자 J_A K_A와 같이 변수를 부여해야한다.

불대수식 유도

변수를 활용하여 플립플롭의 입력과 전체 시스템의 출력을 정리한다.

상태표 작성

현재 상태와 입력 다음 상태와 출력을 열로 가지는 상태표를 작성한다.
현재상태는 클록펄스 인가전 상태이며 다음상태는 클록펄스 인가 후 상태를 의미한다.

상태도 작성

상태표를 활용하여 상태도로 작성한다.

상태방정식 유도

각 입력값에 대한 출력값을 카르노맵 또는 불대수식으로 정리한다.

설명

이해한 작동원리를 글로 적는다.

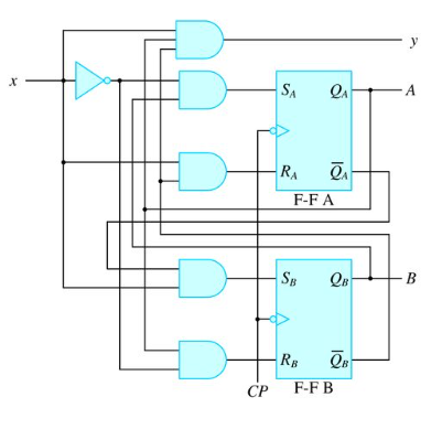
순서논리회로의 설계 과정


작동과정 -> 회로도

  1. 회로 동작 기술(상태도)
  2. 정의된 회로의 상태표 작성
  3. 필요한 경우 상태 축소 및 상태 할당
  4. 플립플롭의 수와 플립플롭의 종류 결정
  5. 플립플롭의 입력, 출력 및 가각의 상태에 문자기호 부여
  6. 상태표를 이용하여 회로의 상태여기표 작성
  7. 간소화(출력함수 플립플롭 입력함수)
  8. 순서논리회로도 작성

회로동작기술


상태도를 그려준다.

상태표 작성

상태도를 보고 상태표를 그린다.

플립플롭 수와 플립플롭 종류 결정

형태는 적절한 것을 사용하면 되며 개수는 정의해야할 상태가 n가지 일때 ⌈log_2 n⌉(올림) 개의 플립플롭이 필요하다.

상태여기표 유도

플립플롭의 입력함수 및 회로의 출력함수 유도

논리회로 구현

미사용 상태의 설계


회로를 설계하다보면 필요하지 않는 상태가 발생할 수 있다. 예를 들어 원하는 상태가 3개라면 플립플롭은 2개를 활용해야하는데 2^2 = 4 이므로 하나의 상태가 남는다. 이때 순서논리회로는 어떠한 상태던 초기상태가 가능하므로 간소화시 무관항으로 처리한다.

만약 미사용상태가 고립된다면 탈출할 방법이 없으므로 항상 주의해야한다.

profile
CS/Software Engineer

0개의 댓글