반도체, 논리게이트

Solf·2023년 2월 7일
0

논리회로

목록 보기
2/8

전자회로의 분류


전자회로는 사용하는 신호에 따라 보통 3가지로 분류된다.

  • 아날로그 회로
  • 디지털 회로
  • 혼합형 회로 (아날로그 + 디지털)

아날로그/디지털


아날로그 방식의 경우 지속적으로 가변적인 신호를 활용하게 된다.

디지털 방식의 경우 파형을 2개이상으로 구분하여 숫자를 매핑하는 방식의 신호를 사용한다. 위의 예시는 특정 기준 전압에 따라 0과 1을 매핑해 이진수 체계를 사용한 것이다.

디지털 방식은 아날로그에 비해 노이즈의 영향을 덜 받을 수 있다는 장점이 있다. 또한 디지털 방식을 현대의 컴퓨터가 사용하기 때문에 현재 0과 1 즉 이진법을 활용하는 것이다.

디지털 전자회로, 논리게이트


어떻게 컴퓨터가 디지털 방식으로 작동하게 되는지 알아보았다. 그러나 전기가 들어오는 것이 1, 전기가 들어오지 않는 것이 0이라는 개념만으로 연산을 할 수 있는 것은 아니다.

컴퓨터는 특정 조건에만 전류를 흘려보내거나 흘려보내지 않는 것으로 연산을 구현한다.

디지털 전자 회로


진공관

다양한 진공관 중 하나인 3극 진공관의 구조와 기호

진공관의 경우 '에디슨 효과'를 이용하여 만들어졌다.

에디슨 효과는 에디슨이 백열전구에서 우연히 발견한 현상으로 높은 진공속에서 필라멘트를 가열하면 필라멘트에서 자유전자가 나와 흐르게 된다는 현상이다. 이는 '열전자 방출 현상'에 의한 것으로 물체(특히 금속)를 일정 온도이상 가열하면 자유전자가 고체표면 밖으로 튀어나오는 현상이다.

2극 진공관(다이오드라고도 부른다)은 Grid가 없는 형태로 교류를 직류로 변환해주는 역할을 한다.

3극 진공관의 구조를 보면 Heater가 일정 이상의 열을 가하고 Cathode의 자유전자가 에디슨 효과에 의해 튀어나온다. 이 전자는 양극을 띄는 Plate(anode) 쪽으로 흘러가게 되는데 이때 Grid(철망)의 극성에 따라 이 이동하는 전자를 제어할 수 있다. (양극 - 더 많은 전자가 흐른다 , 음극 - 흐르는 전자의 양이 줄어든다) 이때 Grid로 조작에 들어간 전류대비 Plate의 전류를 더 크게 할 수 있어서 증폭의 효과 또한 가져올 수 있다.

이렇듯 진공관은 흐르는 전자의 양을 조절해 증폭이나 교류를 직류로 바꿔주는 기능이 있는데 핵심은 흐르는 전자의 양을 조절한다는 것이다.
Grid의 전기신호에 따라 디지털 신호가 바뀌기에 디지털 전자회로를 만들 수 있었고 연산을 하는 컴퓨터에 활용 될 수 있었다. 우리가 아는 애니악이 대표적인 진공관 컴퓨터이다.

트랜지스터


트랜지스터의 모습(보통 가운에 다리가 BASE 나머지 다리는 Collector과 Emitter가 된다)과 기호

NPN과 PNP 트랜지스터는 반도체를 활용하여 만들어졌다.


전기가 흐르는 도체/흐르지 않는 부도체/조건에 따라 흐르는 반도체
자유전자가 자유롭게 흐를 수 있는 영역을 전도대, 가전자대는 전자가 원자를 탈출하지 못하고 원자의 최외각궤도 상에 있는 상태를 의미한다.
도체의 경우 이 전도대와 가전자대가 겹쳐져 있어 자유전자가 항상 자유로운 것이고, 부도체의 경우 가전자대에서 탈출하려면 전자의 에너지가 너무 많이 필요하기에 평소에 자유전자가 흐르지 않는다.
반대로 반도체의 경우 적당한 거리가 있어 일정 에너지를 받으면 충분히 자유전자가 탈출 할 수 있고 전류가 흐르게 된다.(대표적으로 실리콘이 반도체이다.)

이런 반도체에 도핑 작업을 거쳐 극성을 가지도록 한다. 전자가 남아 자유전자가 있는 N형 반도체, 전자가 부족하여 정공(전자가 들어갈 수 있는 구멍)이 있는 P형 반도체를 만든다.

이 반도체를 결합한 순서에 따라 npn, pnp형 트랜지스터를 만들게 된다. 이미터와 컬렉터 사이에 아주 얇은 베이스를 넣게 되는데, base에 흘려주는 전류의 유무 혹은 양의 차이로 이미터와 컬렉터에 흐르는 전류의 양을 조작한다. 이는 진공관과 마찬가지로 증폭의 효과를 낼 수도 있다.

트랜지스터는 진공관과 달리 열을 발생시키지 않고 진공상태의 유리관이 필요없어 내구성이 뛰어났고 크기또한 매우 작아 진공관을 대체했다.

IC(집적회로)

집적회로는 작은 실리콘 칩 위에 저항, 커패시터, 다이오드, 트랜지스터 등의 전자부품을 여러 단계의 공정을 거쳐서 내부적으로 상호 연결 한 것이다.

논리게이트


이제 반도체가 어떻게 연산을 하게 되는지 구체적으로 알아볼 준비가 되었다. 반도체를 활용하면 논리게이트를 구현할 수 있다.

기본 논리게이트인 AND, OR, NOT 게이트의 구조부터 알아보자.
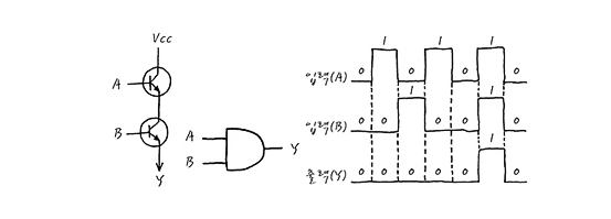
AND

OR

NOT (회로기호에서 보통 구하나가 not을 의미하는데 삼각형만 따로 둔다면 논리게이트는 아니지만 시간을 조절해주는 버퍼가 된다.)

NOR
NAND
두개의 경우 각각 OR + NOT, AND + NOT게이트로 만들어진다.

XOR : 입력값의 1의 홀수개일때 1을 출력한다.

XNOR(XOR 게이트에 NOT을 붙인것) : 입력값의 1의 짝수개일때 1을 출력한다.

전가산기(계산기)


이번엔 논리게이트로 간단한 전가산기를 만들어보자.

이 이미지는 반가산기로 이진수의 한자리 수 를 연산해주고 자리올림수(carry out)에 따라 출력한다.

전가산기의 경우 반가산기 두개를 이어붙여 만들었다.


A, B, Carry in(X)를 입력값으로 받아 Sum, Carry out(C)를 출력한다.
Carry in은 이전의 자리 수 올림 값이며, Carry Out은 자리수 올림 결과 값이다.

profile
CS/Software Engineer

0개의 댓글