조화논리회로와 순서논리회로의 특징
조합논리회로 (combinational logic circuit)
출력이 오로지 현재 입력값에만 의존하는 논리회로
순서논리회로 (sequential logic circuit)
출력이 “현재 입력”과 “이전(과거) 상태”에 함께 의존하는 논리회로
동기 순서논리회로의 해석 과정
동기 순서논리회로 해석
- 순서논리회로의 동작은 입력, 출력, 그리고 현재 상태에 의해 결정됨
- 출력과 다음 상태는 모두 현재 상태의 함수로 표현 가능
회로를 해석하기 위해서는
상태표(State Table), 상태도(State Diagram)를 작성하여
각 입력·현재 상태 조합에서
다음 상태와 출력을 시간 순서대로 정리하면 됨
순서논리회로의 해석과정
- 변수 명칭 부여
- 조합논리회로 식 유도
- 상태표(State Table) 작성
- 상대표를 이용해 상태도(State Diagram) 그리기
- 상태방정식 유도
- 회로 동작 분석 및 설명
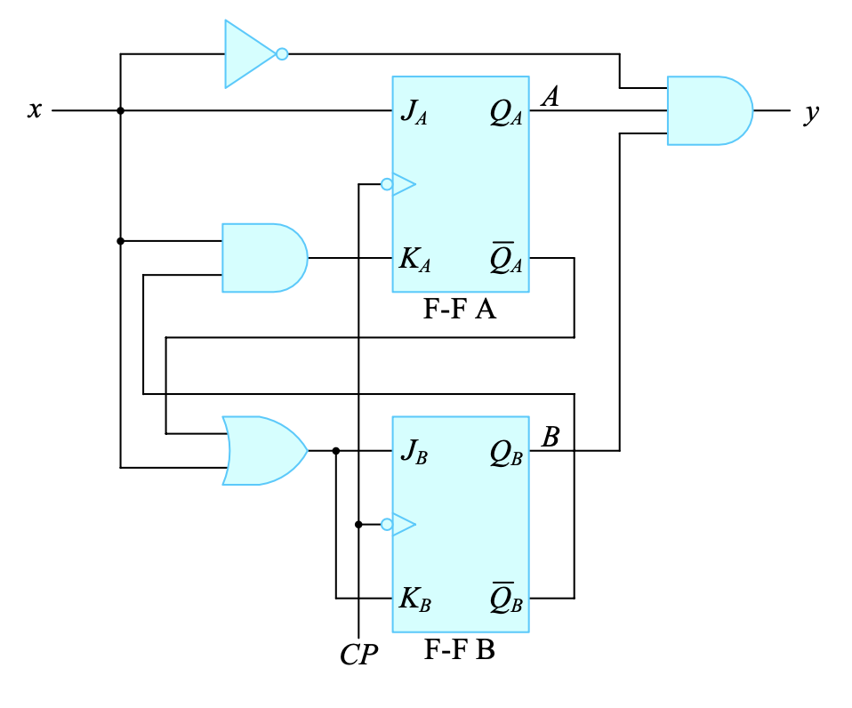
변수명칭 부여 및 불 대수식 유도
변수 명칭 부여
- 입력 변수: x
- 출력 변수: y
- 플립-플롭 A의 입력: JA,KA
- 플립-플롭 B의 입력: JB,KB
- 플립-플롭 A의 출력: A (= QA)
- 플립-플롭 B의 출력: B (= QB)
플립-플롭 입력식 도출
A 플립-플롭
JA=x,KA=Bxˉ
B 플립-플롭
JB=Aˉ+x,KB=Aˉ+x
시스템 출력식
y=ABx
상태표 작성
상태표는 현재 상태
와 외부 입력
의 변화에 따라
다음 상태
와 출력
의 변화를 정의
현재 상태: 클록 펄스(CP)가 입력되기 전의 플립-플롭 출력 상태
다음 상태: 클록 펄스가 들어온 직후의 플립-플롭 출력 상태
상태도 작성
원 : 현재 상태
회로의 동작설명
외부 입력 x의 변화마다 클록펄스가 인가되면,
현재 플립-플롭 상태(2비트 조합)가
- 00 → 01 → 10 또는
- 00 → 11 → 10 → 01
와 같이 순차적으로 전이
상태방정식 유도
플립플롭의 여기표
특성표 (Characteristic Table)
- 플립플롭의 현재 상태와 입력이 주어졌을 때,
다음 상태가 어떻게 되는지를 나타내는 표
여기표 (Excitation Table)
-
플립플롭의 현재 상태 Q(t)와 목표 다음 상태 Q(t+1)가 주어졌을 때,
그 전이를 위해 플립플롭에 어떤 입력 조건이 필요했는지를 나타내는 표
-
순서논리회로 설계 시,
특정 상태 전이를 실현하기 위한 입력(S,R 또는 J,K 등) 조합을 결정
SR 플립플롭의 여기표
JK 플립플롭의 여기표
D 플립플롭의 여기표
T 플립플롭의 여기표
