
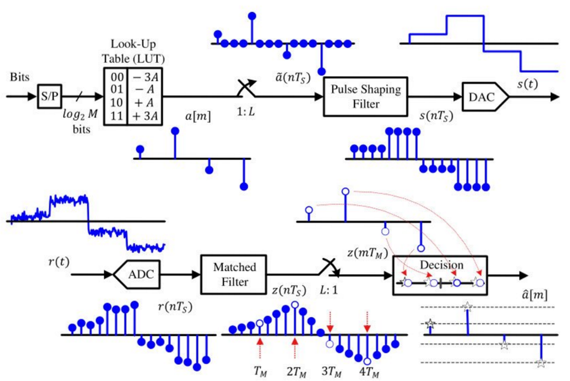
우리는 앞서 위 그림과 같은 모뎀 구조를 살펴보았다.
위 그림에서 Pulse Shaping Filter 및 Matched Filter는 직사각형 펄스가 사용되었다.
그러나 우리는 3.2 포스팅에서 직사각형 펄스의 단점을 분석하였고 대안으로 Square-Root-Raised-Cosine(SRRC) 필터를 제안하였다.
SRRC 필터를 통해 생성된 송신 신호와 Matched Filter(SRRC)를 통해 생성된 수신 신호가 어떻게 생겼는지 알아보자.

먼저 송신 비트 10개를 만들고 심볼에 매핑한다.
그 다음 심볼 당 샘플 로 설정하여 심볼을 upsampling 한다.
심볼을 upsampling 하는 이유는 SRRC 필터가 심볼 주기 동안 2개의 샘플을 가지도록 만들 예정이기 때문이다.
SRRC Pulse Shaping Filter를 통과해 나온 신호는 시간 축에서 아래와 같다.

심볼 주기 동안 2개의 샘플이 존재하는 것을 확인할 수 있다.
이 때 송신 신호의 앞 뒤로 tail 성분이 존재하는 것을 확인할 수 있다. 이것은 SRRC 필터의 tail이 존재하기 때문이다. 아래 그림을 보자.

시간 축에서 SRRC 파형은 tail 성분이 존재한다. 그리고 시간 0에서 peak를 갖는다.
위 파형을 계수로 갖는 필터가 SRRC 필터이고 심볼과 컨볼루션을 수행하면 송신 신호가 만들어진다.
이 때 컨볼루션의 특성은 시간 지연이 발생한다. 만약 SRRC 필터 계수 중 peak가 뜨기 이전의 샘플의 개수가 10개라면 위 그림과 같다.
peak의 위치는 pulse shaping의 결과 심볼 위치에 해당하는 샘플이므로 송신 신호 내에서 10개의 샘플이 생성된 뒤 11번 째 위치에 심볼에 해당하는 샘플이 만들어진다.
이제 AWGN만 있는 무선 환경을 거쳐 수신부로 송신 신호가 들어온다. 그러면 아래와 같다.

이 때 ADC와 DAC의 샘플링 클럭은 같다고 가정하자.
AWGN 노이즈가 추가되어 송신 신호 대비 수신 신호는 잡음이 껴있는 것을 확인할 수 있다.
이제 수신 신호 를 SRRC 매치드 필터링을 수행해 신호 를 만든다. 아래 그림과 같다.

위 결과를 살펴 보면 심볼 당 샘플은 2개인 것을 확인할 수 있고 심볼 위치에 해당하는 샘플의 크기는 인 것을 확인할 수 있다.
즉 매치드 필터링을 거치면서 심볼에 해당하는 디지털 전압값으로 복구가 된 것이다.
SRRC Pulse-Shaping 과 SRRC Matched Filtering을 통해 RRC 필터가 완성되어 나이퀴스트 필터 조건을 만족하게 되었고 심볼 간 간섭을 0으로 만들 수 있다.
이제 upsampling 된 샘플을 다시 downsampling 해서 샘플 들 중에서 심볼만 추출한다.
그 다음 심볼과 비트를 매핑해 수신 비트를 만들어 낸다.

위 그림은 RRC Pulse Shaping을 시간 축에서 나타낸 것과 심볼을 RRC Pulse Shaping하여 각 심볼 단위로 생성된 신호를 표현했다.
심볼에 대한 신호가 인접한 심볼 시간에서 모두 0인 것을 확인할 수 있다.
그러나 우리는 SRRC를 사용하기 때문에 위 그림과 같이 인접한 심볼 시간에 신호 성분이 모두 0이 아닐 것이다. 따라서 ISI가 발생한다.
SRRC는 RRC Pulse Shaping 필터를 송신부와 수신부에 분리하기 위해 만들어 졌고 많은 장점을 가지고 있다. 그러나 한계도 존재한다.
먼저 불충분한 Sidelobe 감쇄를 가지고 있다.

위 그림의 파란색 스펙트럼이 SRRC의 스펙트럼이다.
사이드로브의 크기가 약 -30dB인 것을 확인할 수 있다. 대부분의 무선통신 표준에서는 side lobe 감쇄를 최소 -60dB에서 -80dB까지 요구한다.
따라서 SRRC Pulse-Shaping - SRRC Matched Filtering 구조만으로는 표준에서 요구하는 조건을 달성할 수 없다.
표준을 달성하기 위해서는 sidelobe의 더 큰 감쇄를 필요로 한다.
SRRC를 통해 Pulse Shaping을 하는 것은 시간 축에서 직사각형 펄스에 1/4 코사인 함수를 곱해서 시간 축 신호를 부드럽게 만든 것이다.
그러나 1/4 코사인 함수는 주파수 상에서 완만한 감쇄를 가진다. 아래 그림을 살펴보자.

위와 같이 1/4 코사인은 스펙트럼 상에서 완만한 감쇄를 갖는다. 만약 스펙트럼 상에서 더 가파른 감쇄 특성을 갖는 신호와 직사각형 펄스를 곱하면
SRRC Pulse Shaping Filter는 더 큰 감쇄 특성을 가지게 된다.

Improved taper 가 될 수 있는 후보로는 카이저 윈도우가 있다. 카이저 윈도우와 직사각형 펄스를 곱해 SRRC 필터를 만들면 대역폭 내에서 더 넓은 flat 특성을 갖고
스펙트럼에서 sidelobe가 -60dB정도로 더 큰 감쇄 특성을 보이게 된다.