Register
- Register은 flip-flop들의 묶음이다
- n bit의 register는 n개의 bit를 저장할 수 있다
- Register는 우리가 사용하는 컴퓨터의 데이터 크기단위를 규정하는 디바이스다(우리 PC는 대부분 64bit register를 사용)
- Register는 마이크로프로세서의 가장 기본이 되는 저장 장치로서 기능을 한다
Register load
- Register는 일종의 기억소자이기 때문에 쓰고, 읽고, 저장할 수 있어야 한다
- Register에 쓰는행위를 load라 한다
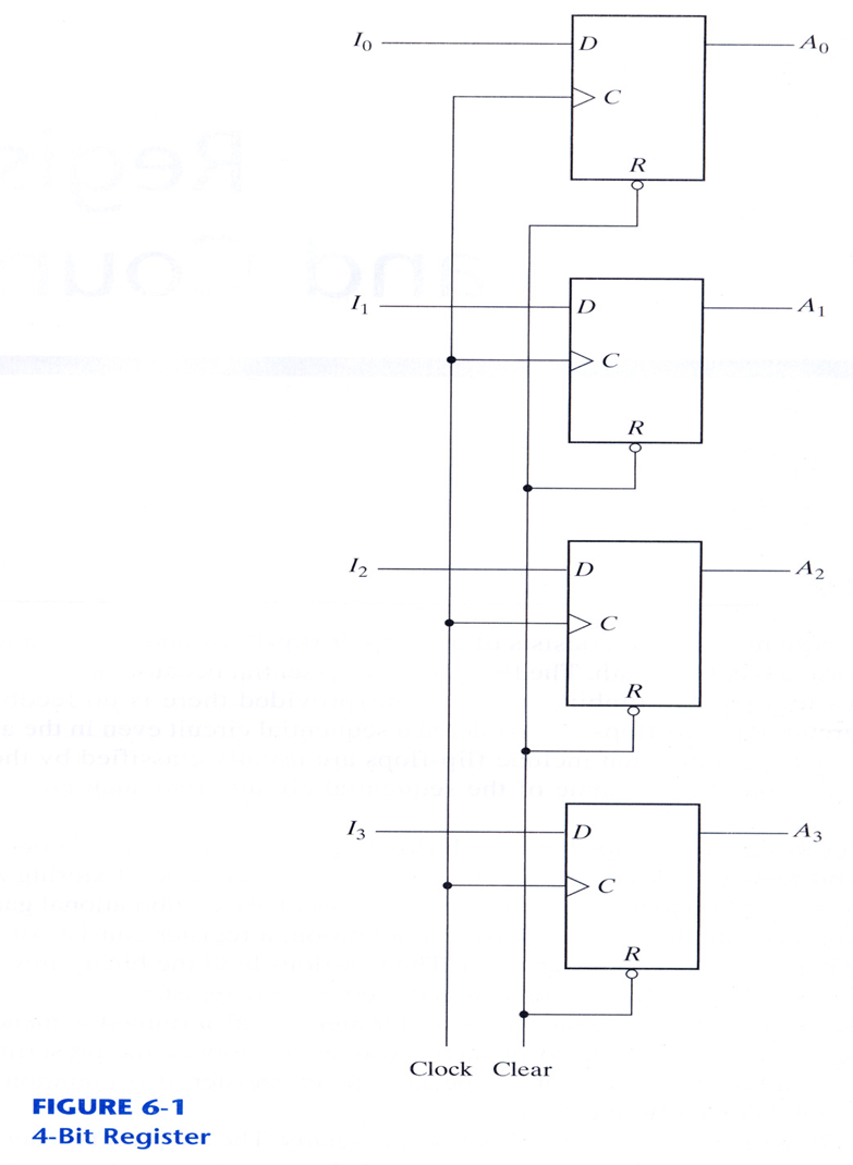
- Parallel loading
- n bit를 한꺼번에 load를 하는것을 parallel load라 한다

위 회로에서 Load = 1일 경우 인풋 값들을 paralle loading 할 수 있다.
Load = 0이면 현재 state들을 store 기능을 한다
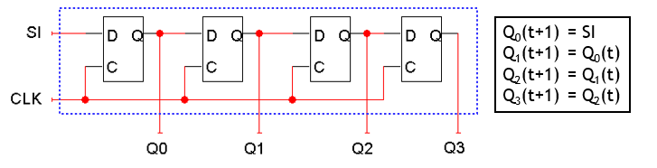
Shift Register
시프트 레지스터(shift register)는 디지털 회로에서 선형 방식으로 설치된 프로세서 레지스터의 집합이며, 회로가 활성화 되었을 때 데이터를 줄 아래로 이동시키는 것과 같은 방법으로 입출력을 서로 연결하고 있다위키백과 시프트 레지스터

위의 사진은 간단한 4bit 레지스터의 serial in(병렬 입력) parallel out(직렬 출력)을 보인다(SIPO)
SI = 1이고
Q0~Q3 = 0110일 경우
다음 state는
Q0~Q3 = 1011이 될 것이다
Shift Register는 다음과 같이 다양하게 shift 할 수 있다

4-bit parallel in/serial out
아래 회로는 parallel in/ serial out (PISO)의 예시이다

- 외부 input은 한 비트인데 위의 회로는 input이 '1'에서는 Shift, '0'에서는 Load기능을 한다

Timing sequence를 보면 Shift가 '1'일 때 output이 D3~D1으로 serial하게 0101로 나온다
Reference 상명대학교 정진우교수님 강의 자료