Chapter 2 전체에 걸쳐서 명령어들의 종류를 알아보고, 그 명령어들이 어떻게 동작하는지 알아봤었습니다. 이번 챕터에서는 명령어가 실행되었을 때, 데이터와 제어신호가 어떻게 움직이는지 알아보겠습니다.
Data Path에 대한 정의는 이렇게 내릴 수 있습니다.
컴퓨터의 명령어 처리 과정에서 데이터가 이동하고 연산되는 경로
주로 CPU 내부에서 프로세서가 명령어를 실행하는 동안 데이터와 제어신호가 이동하는 경로를 포함합니다.
자세히 알아보기 전에 간단하게 알아야 할 정보들이 있습니다. 논리회로와 같은 지식이 있다면 넘어가도 될 내용이지만, 한 번 정리하기 위해 간단히 기술하겠습니다.
디지털 시스템을 구현하기 위해서 필요한 요소가 3개 있습니다.
이 단원에서 사용할 combinational elements의 예시로는 Adder와 ALU, Multiplexer가 있습니다.

Adder는 위와 같은 구조로 되어 있으며, A와 B 값에 의해 즉각적으로 Sum을 출력합니다. 주로 PC 값을 계산할 때 사용됩니다.

ALU는 위와 같은 구조로 되어 있으며, A와 B 값에 더불어서 ALU control 값에 영향을 받습니다. ALU control 값에 따라 AND, OR, ADD와 같은 연산들을 수행하게 됩니다. R-type 명령어에서 연산을 하거나, immediate 값에 따라 달라지는 주소값을 연산할 때 사용됩니다.

Multiplexer는 MUX라고도 불리며, 쉽게 설명하면 input으로 들어온 요소들 중 하나를 선택해서 output으로 내보내는 역할을 합니다. Select 값에 따라 어떤 값을 출력할 지 정해집니다.
이 단원에서 사용하게 될 Sequential elements의 예시로는 레지스터와 메모리가 있습니다.
레지스터는 정보를 읽고 쓰는 역할을 하며, 이 동작은 clock 신호가 있을 때만 실행됩니다. 더불어서 RegWrite 신호 또한 1로 설정이 되어있어야합니다.

단순화된 과정은 아래와 같습니다. input에 즉각적으로 반응하지 않고, clock signal이 있어야만 값이 변경되는 것을 볼 수 있습니다.

메모리도 레지스터와 같이 데이터를 저장할 때 clock signal이 발생하고, MemWrite가 1인 경우에만 데이터를 쓸 수 있습니다. 구조는 아래와 같습니다.

clock은 read/write 작업을 제어하는 역할을 합니다. clock은 rise와 fall의 2가지 신호를 가지며 각각 , 의 신호를 나타냅니다.
clock의 개념을 하나의 그림으로 나타내면 아래와 같습니다.

Cycle time은 state의 변화가 일어나는 총 시간입니다. CPU의 performance를 나타낼 때 사용했던 그 cycle time을 나타내는 것과 동일한 개념입니다.
이 시간은 총 4개로 나누어 볼 수 있는데, 설명의 편의상 부터 설명하겠습니다.
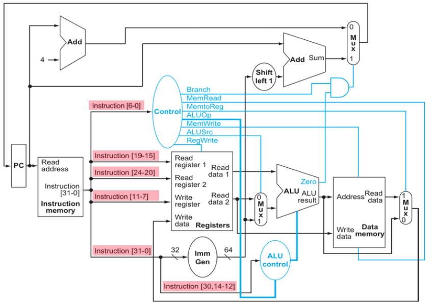
Single Cycle Implementation을 위한 재료들은 아래 그림과 같습니다.

각각의 요소들마다 자세한 동작들을 설명해야하지만, 글의 길이와 시간상 생략하도록 하겠습니다.




얘는 조금은 결이 다른 부분입니다. main control unit은 명령어를 해석하여 제어신호를 만드는 역할을 합니다. 레지스터에 쓸 지, 메모리에 쓸 지 읽을 지, 어떤 ALU 연산을 수행할 지 와 같은 신호를 만듭니다.

최종적인 완성 모습입니다.