
(Half-wave Rectifier)


위 회로에서 Vs = VD+Vo -> Vs = √2 * Vsinwt
1) 양의 반주기 : 0 ≤ wt < π
Vo = Vs = √2 * Vsinwt
io = Vo / R
2) 음의 반주기 : π ≤ wt < 2π
Vo = 0, io = 0
Vd = Vs
평균값 Vdc = Vpeak / π

실효값 Vrms = Vpeak / 2

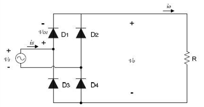
(Full-wave Rectifier)
회로

파형

중심탭 변압기 전파 정류기 (Center Tap type)

브리지 회로 전파 정류기 (Bridge type)


+ 구간

- 구간

평활회로

정류 회로에서 나온 맥류를 평탄하게 하여 직류로 함
Cap 으로 평활
Cap+Inductor로 LPF 형태로 평활하기도 함


https://images.app.goo.gl/DcrigcMsuYsEw7WH9
Half-Bridge 스위칭 방식
| 스위치 상태 | 출력 전압 |
|---|---|
| S1 ON, S2 OFF | |
| S1 OFF, S2 ON | |
| S1 OFF, S2 OFF | 0 (또는 freewheeling) |
Full-Bridge 스위칭 방식
| 스위치 쌍 상태 | 출력 전압 |
|---|---|
| S1 & S4 ON, S2 & S3 OFF | |
| S2 & S3 ON, S1 & S4 OFF | |
| 모두 OFF (혹은 대각선 Freewheeling 다이오드 동작) | 0V 또는 부하 전류 순환 |
비교
| 항목 | Half-Bridge | Full-Bridge |
|---|---|---|
| 필요 스위치 수 | 2개 | 4개 |
| 출력 전압 | ||
| 제어 복잡도 | 낮음 | 높음 |
| PWM 방식 | 보완형 또는 SPWM | Bipolar / Unipolar PWM |
| Dead Time 제어 | 필수 | 필수 |
| Freewheeling 다이오드 경로 | 있음 | 있음 |
| 비용 | 낮음 | 높음 |

VDC = 2/pi * Vp = 0.6366 Vp
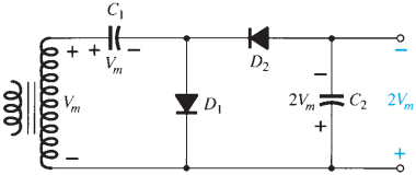
배전압 회로는 peak(최대)전압을 peak정류전압의 배수로 증가시키는 회로이다.

KVL 적용 :

+반주기에서 D1 ON & D2 OFF 이므로, C1는 Vm 까지 충전

-반주기에서 D1 OFF & D2 ON 이므로, 에 의하여
는 까지 충전
부하 없을시 유지
부하 존재시 +반주기에 는 통해서 방전 (시상수 = RLC2)
-반주기동안 는 까지 순간적으로 충전.


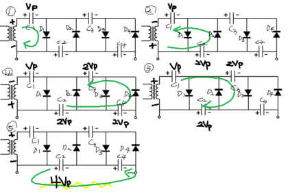
C2(2Vp)와 C4(2Vp) 양단에 4Vp 전압이 걸림

진동 열(oscillating column) 커패시터 : C1, C3, C5, C7
평활 열(smoothening column) 커패시터 : C2, C4, C6, C8
무부하 조건에서 평활 열의 커패시터는 최대 2NVmax 까지 충전
(n은 승산단수)

(Symmetric Voltage Multiplier)

| 구성 요소 | 기능 | |
|---|---|---|
| AC 전원 | 정현파 또는 펄스 전압을 공급 | |
| 주 커패시터 | 전하 축적 및 전압 누적 | |
| , | 보조 커패시터 (위/아래 체인) | 전하 전달을 보조하며 누적 전압 형성 |
| 다이오드들 | 전류 방향 제어 | 반주기에 따라 특정 경로만 도통 |
| 부하 저항 | 출력 전력 소비 |
입력 교류 전압의 역할
입력 전압 Vs가 양/음의 반주기를 반복하면서 회로의 각 커패시터들을 교대로 충전
전압은 단계적으로 커패시터 체인을 따라 위쪽으로 누적되어 올라감
전압 증폭
다이오드와 커패시터의 배치 덕분에 각 단계에서 이전 단계의 전압이 덧붙여지는 구조
예를 들어, 첫 번째 단계에서
Vs만큼 충전된 커패시터가 다음 단계의 충전에 추가 전압을 제공함으로써 출력 전압이 누적
출력전압 : 2n ⋅ Vpeak
Ref
https://m.blog.naver.com/gu04005/221633779299
https://mathphysics.tistory.com/391
https://blog.naver.com/dhlee0905/222716585259
https://www.researchgate.net/figure/Schematic-circuit-of-a-basic-4-stage-Cockcroft-Walton-voltage-multiplier_fig1_312511440
https://www.brainkart.com/article/Cockroft-Walton-Voltage-Multiplier-Circuit---Generation-of-High-Voltages-and-Currents_12900/
https://doctorinformationgs.tistory.com/201
https://www.rohm.co.kr/electronics-basics/ac-dc-converters/acdc_what2
https://blog.naver.com/paval777/220028898816
http://contents.kocw.or.kr/KOCW/document/2015/chungnam/chahanju/4.pdf
https://onlinelibrary.wiley.com/doi/10.1155/2017/4805268
https://resources.altium.com/kr/p/llc-resonant-converter-design-and-pcb-layout