
교수님께서 MATLAB 을 이용한 slam 시뮬레이션에 대한 공부를 해보라는 과제를 내주셨다. 나는 MATLAB에 대해서 아무것도 모르지만, 일단 도전해봤다. 📌 공부 기록용이라 틀린 내용이 매우 많을 예정 우선, MATLAB을 다운받자. MATLAB 학교

이번에는 MATLAB-Automated Driving Toolbox의 'Select Waypoints for Unreal Engine Simulation' 예제에 대한 공부 기록이다.📌 공부 기록용이라 틀린 내용이 매우 많을 것이다.이 예제를 통해 waypoint를

SLAM에 사용할 Scene(=map) 을 Unreal Engine 을 통해 Customize 하는 방법에 대한 공부 기록이다. MATLAB-Automated Driving Toolbox-Customizing Scenes-Step1 우선, [Automated Dri

1 : 현재 폴더 : 현재 작업 디렉토리의 파일 탐색2 : Editor : .m 스크립트 파일 작성 & 저장 후 실행3 : Workspace : 현재 메모리에 있는 변수 목록/크기/타입 표시4 : Command Window : 명령어 한 줄씩 바로 실행이전 실행의 찌꺼

Matlab에서 행렬이 가지는 의미 > MATLAB = MATrix LABoratory. 즉 행렬이 이 언어의 존재 이유이다. 그만큼 MATLAB에서 행렬이 중요하다. 1. 벡터 생성 (1) 행 벡터 & 열 벡터 (2) 등간격 벡터 생성 > 벡터의 요소가

1.1 조건문 : if / elseif / else C/C++과 다르게 (1) 조건을 적을때 괄호 안에 적지 않아도된다 (적어도 무방하다). (2) else if가 아니라 elseif 로 사용한다 (3) 중괄호가 없고 마지막에 end로 조건문을 닫아준다. 1.2

일반 행렬은 같은 타입, 같은 크기만 저장 가능하나, 셀 배열은 아무거나 다 담을 수 있는 만능 배열이다.중괄호({})로 셀 배열을 생성할 수 있다.셀 배열의 특정 인덱스에 접근 하는 방법은 총 2 가지로, {} 또는 () 를 사용한다.{} : 내용물만 반환() : 셀

여기서 교육 자료를 확인할 수 있다.File Exchange에 들어가보면 유저들이 만든 오픈소스를 확인할 수 있다.위와같이 유저들이 오픈 소스를 많이 올려둔 것을 확인할 수 있다.

Simulink = Simulation + Link블록 다이어그램을 활용해서 시스템을 모델링하고, 시뮬레이션하는 도구즉, 코드를 한 줄 한 줄 타이밍하는게 아니라, 블록을 선으로 연결해서 시스템의 동작을 시각적으로 표현하는 것(1) Simulink는 MATLAB 없이

블록은 "하나의 기능을 수행하는 부품" 이다. 블록들을 레고처럼 조합해서 하나의 시스템을 만든다(1) 입력 포트 (Inport): 왼쪽에 있는 화살표 받는 곳(2) 출력 포트 (Outport): 오른쪽에서 화살표 나가는 곳(3) 블록 내부: 정해진 연산을 수행소스 블록

1. Mathworks Onramp > Onramp는 MathWorks가 제공하는 무료 온라인 기초 실습 코스(인터랙티브 튜토리얼)이다. 설치 없이 웹에서 바로 진행하고, 짧은 설명 + 바로 코딩/실행해보는 문제 형태로 배우게 된다 2. Matlab Onramp

스텝 입력은 시스템에 대한 일반적인 테스트 입력으로 활용된다.스텝 블록의 Parameter 중 스텝 시간 은 아래와 같은 의미이다.시뮬레이션 시간 t가 Step time(스텝 시간)에 도달하는 순간 출력이 Initial value → Final value로 “점프"이

1. Intro 저역 통과 필터의 동작을 Display Block 및 Scope Block을 활용해 관찰해볼 것이다. 2. Display 블록 (1) Display 블록은 시간에 따른 연결된 신호의 값을 표시한다 (2) 다양한 실행 방법 실행 버튼 : 모델의

이런 신호를 램프 신호라하고, r(t) 로 쓴다.Simulink 의 Ramp Block은 블록 파라미터로 지정된 상수 기울기로 증가하는 신호를 출력한다이런식으로 Simulink는 Sine Wave나 Ramp 같은 시변 소스 외에도 Constant Block 같은 상수

0 과의 대수 비교 (>,<,>=,>=,==,~=..등 여러 연산을 Parameter로 설정 가능) 후 결과 출력하는 블록위와 같이 0과의 비교에 있어 >,<,>=,>=,==,~=..등 여러 연산을 Parameter로 설정 가능하다상수와의 대수 비교 (>,&

조건문의 기능을 수행하는 블록입력 2가 선택한 기준을 충족할 경우 입력 1을 통과시킨다. 그렇지 않으면 입력 3을 통과시킨다.마찬가지로 파라미터를 활용해 첫 번째 입력 전달 조건을 설정할 수 있다.이런 구조로 switch문에 분기해서 입력을 넣어줄 수도 있다.Switc

만약 처음 보는 Block이 있다면, 위와 같이 2가지 방식으로 블록에 대한 설명을 확인할 수 있다.도움말에서 블록 사용법에 대한 정보를 얻고위와 같이 블록의 파라미터를 수정해서 사용한다.

Abs Block 은 절댓값 연산을 수행하는 블록이다.Sensor Data는 자동차의 속도 와 자동차의 횡가속도를 출력하는 블록이다.자동차의 횡가속도는 차량의 횡방향 가속도로, 차량 성능 결정 시스템에서 차량의 좌,우 운동은 동일하게 처리해야하므로 절댓값 연산을 추가해

1. 블록의 파라미터는 MATLAB의 변수명을 입력값으로 받을 수 있다. 현재 Matlab Workspace에 변수 r이 작업 공간에 생성되어있고, 값은 5이다. 위와같이 Simulink에서 특정 블록의 파라미터로 Matlab Workspace에 올라가있는 변수명을

MATLAB Function 블록(Simulink > User-Defined Functions)을 사용하여 MATLAB 함수를Simulink Block 으로 사용할 수 있다.기존 MATLAB 코드를 포함하고 복잡한 알고리즘을 모델링할 때 MATLAB Function 블

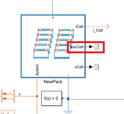
우리가 사용해온 배터리팩은 SOC 를 알려주는 포트를 제공한다.그러나 현실 세계에서 SOC를 센싱하는 건 불가능하다.SOC(State Of Charge, 충전 상태)는 배터리 셀 내부의 값으로 외부에서 측정이 불가하다.그러나 측정을 불가하지만, 추정은 가능하다.우리는